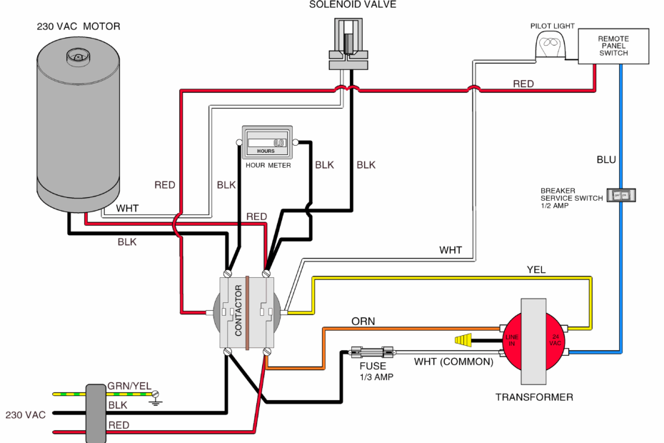
Wiring Diagram For Switch
Wiring Diagram For Switch – Understand Your Electrical System Better with a Clear Wiring Diagram Wiring Diagram For Switch When it comes to electrical work, understanding wiring diagrams is crucial. A wiring diagram is a… Wiring Diagram For Switch








