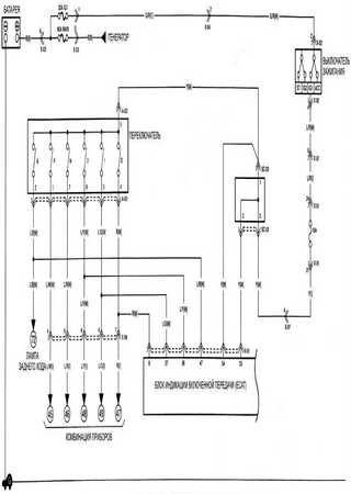
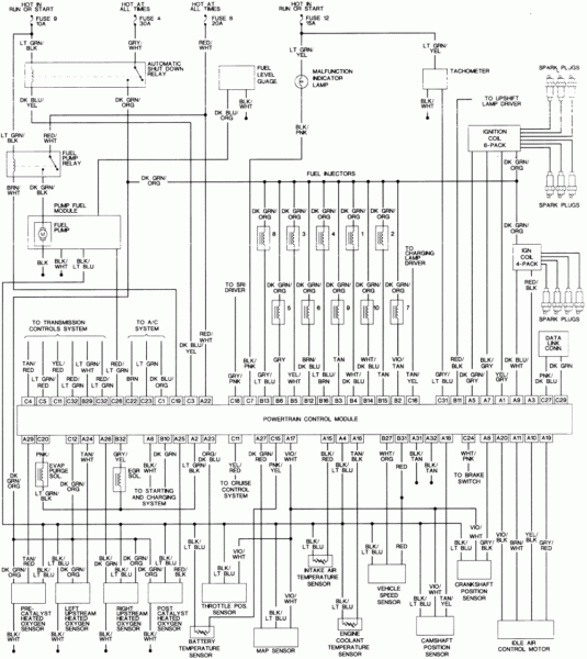
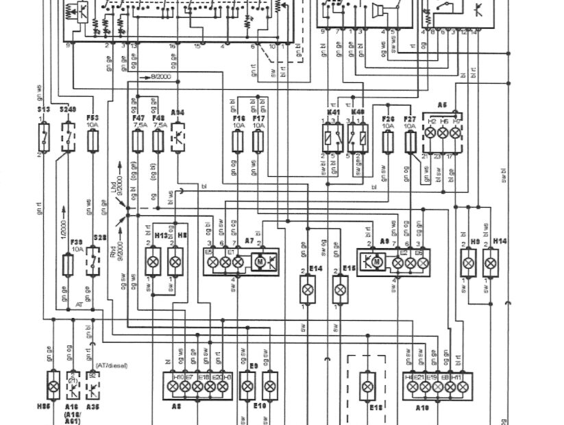
Wiring Diagram Guitar
Wiring Diagram Guitar – Understand Your Electrical System Better with a Clear Electrical Schematic Wiring Diagram Guitar Guitar wiring diagrams are essential for anyone looking to modify or customize their instrument. Whether you’re a seasoned… Wiring Diagram Guitar








