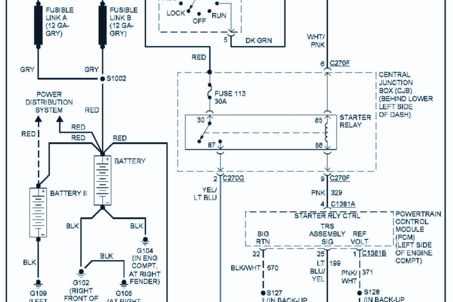
Free Mitchell Wiring Diagrams
Free Mitchell Wiring Diagrams – Learn About Your Circuit Design Better with a Clear Free Mitchell Wiring Diagrams Free Mitchell Wiring Diagrams When it comes to troubleshooting electrical issues in a vehicle, having access to… Free Mitchell Wiring Diagrams








