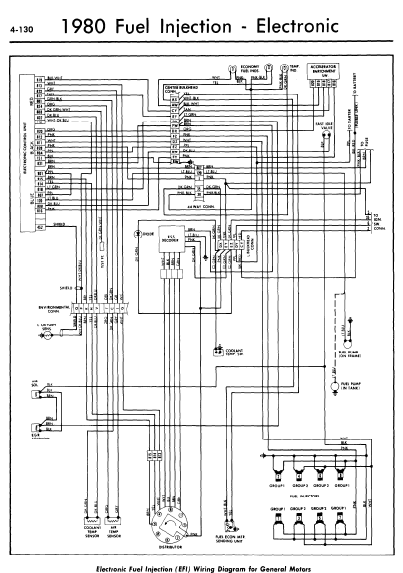
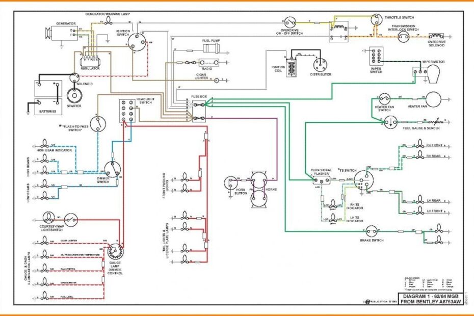
Mazda Wiring Diagram
Mazda Wiring Diagram – Learn About Your Electrical System Better with a Accurate Mazda Wiring Diagram Mazda Wiring Diagram Mazda wiring diagrams are essential tools for anyone working on their Mazda vehicle. These diagrams provide… Mazda Wiring Diagram








