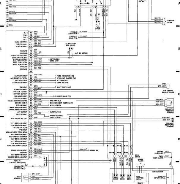
Hyundai Wiring Diagrams Pdf
Hyundai Wiring Diagrams Pdf – Learn About Your Wiring Setup Better with a Accurate WiringDiagram Hyundai Wiring Diagrams Pdf When it comes to working on your Hyundai vehicle, having access to accurate wiring diagrams is… Hyundai Wiring Diagrams Pdf








