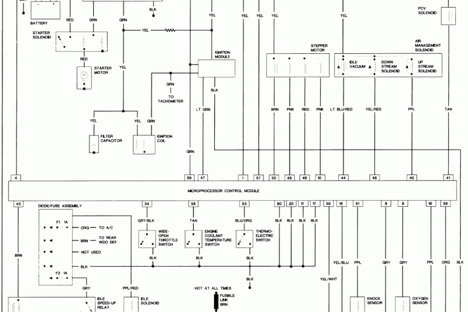
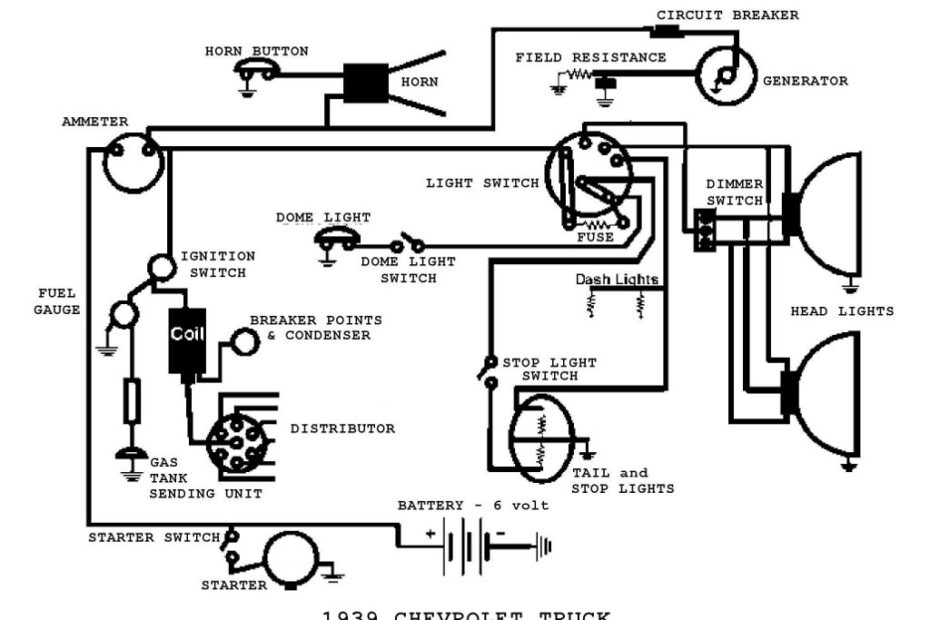
Wiring Diagrams Free
Wiring Diagrams Free – Master Your Wiring Setup Better with a Clear WiringDiagram Wiring Diagrams Free Wiring diagrams are essential tools for anyone working with electrical systems, whether it’s in a residential, commercial, or industrial… Wiring Diagrams Free








