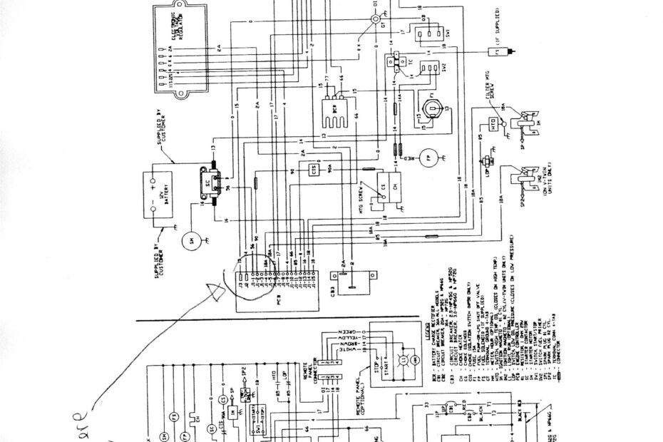
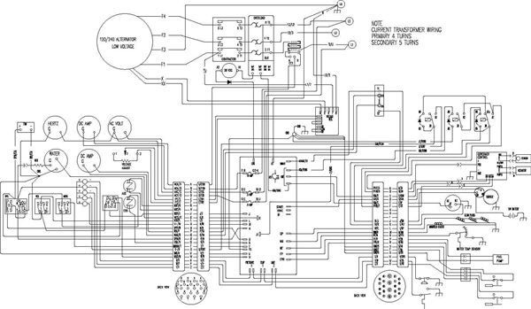
Wiring Diagram For Generator
Wiring Diagram For Generator – Learn About Your Circuit Design Better with a Clear Wiring Diagram For Generator Wiring Diagram For Generator Generators are essential tools that provide backup power during outages or in remote… Wiring Diagram For Generator








