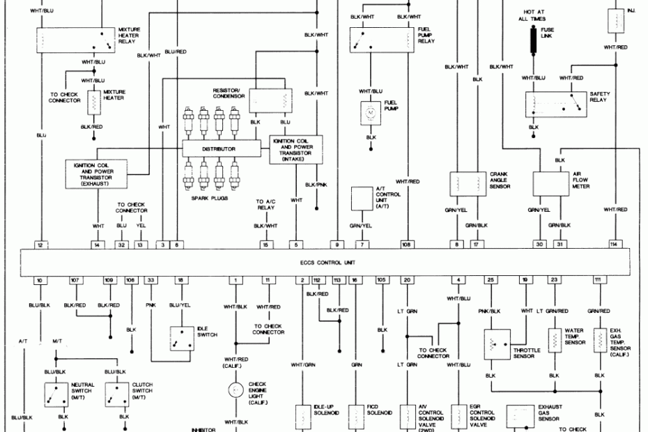
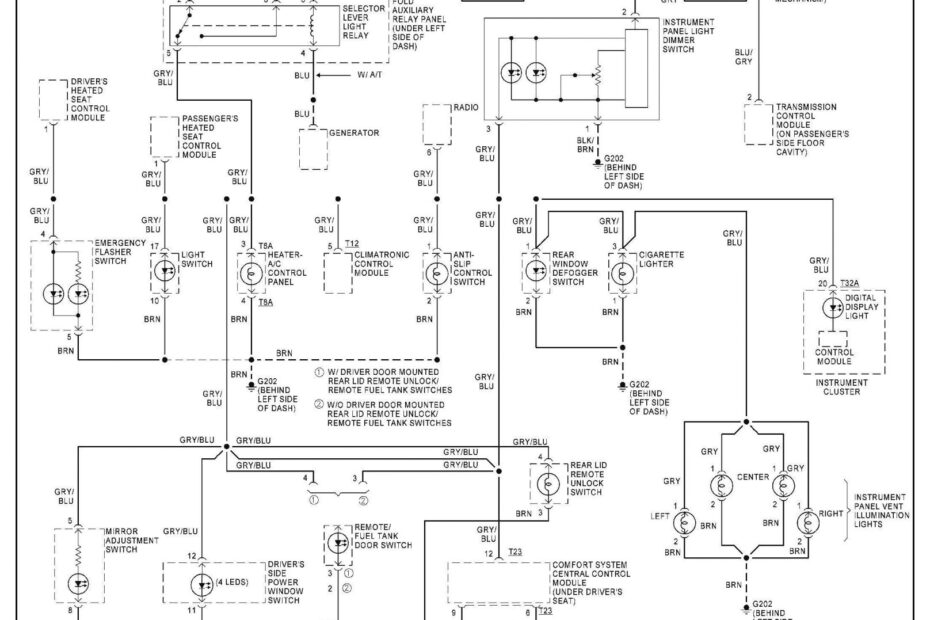
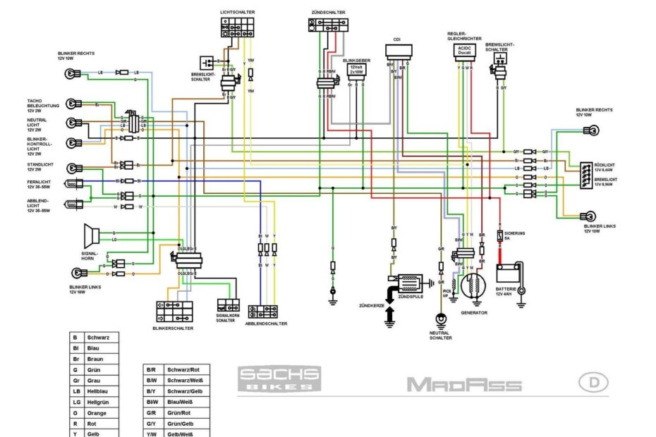
Autozone Wiring Diagrams
Autozone Wiring Diagrams – Understand Your Electrical System Better with a Detailed WiringDiagram Autozone Wiring Diagrams Autozone Wiring Diagrams are essential tools for anyone working on their vehicle’s electrical system. Whether you’re a seasoned mechanic… Autozone Wiring Diagrams








