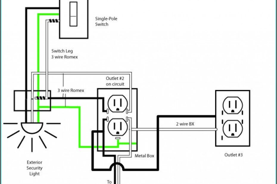
Basic Electrical Wiring Diagram
Basic Electrical Wiring Diagram – Learn About Your Electrical System Better with a Clear Wiring Diagram Basic Electrical Wiring Diagram When it comes to understanding the electrical systems in your home or workplace, having a… Basic Electrical Wiring Diagram








