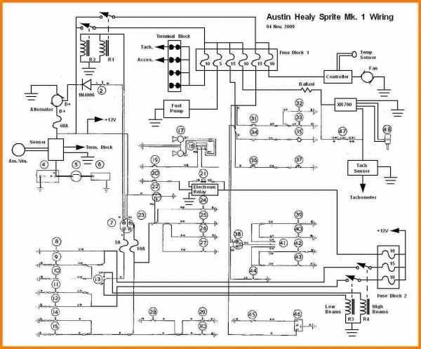
How To Read Automotive Wiring Diagram
How To Read Automotive Wiring Diagram – Master Your Electrical System Better with a Detailed How To Read Automotive Wiring Diagram How To Read Automotive Wiring Diagram Understanding how to read automotive wiring diagrams is… How To Read Automotive Wiring Diagram








