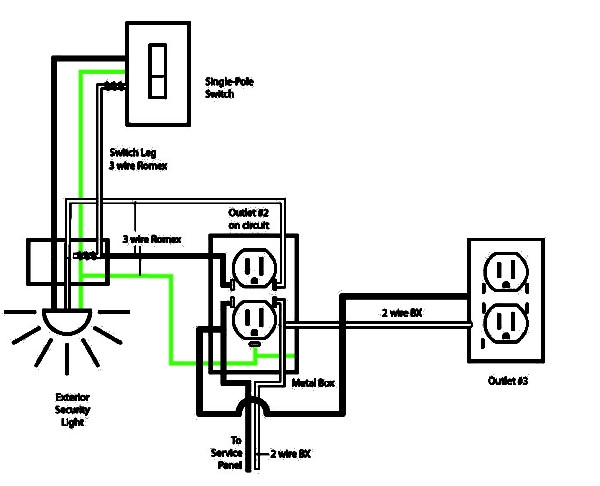
Electrical Wiring In A House Diagram
Electrical Wiring In A House Diagram – Understand Your Circuit Design Better with a Clear Wiring Diagram Electrical Wiring In A House Diagram When it comes to the electrical wiring in a house, it is… Electrical Wiring In A House Diagram








