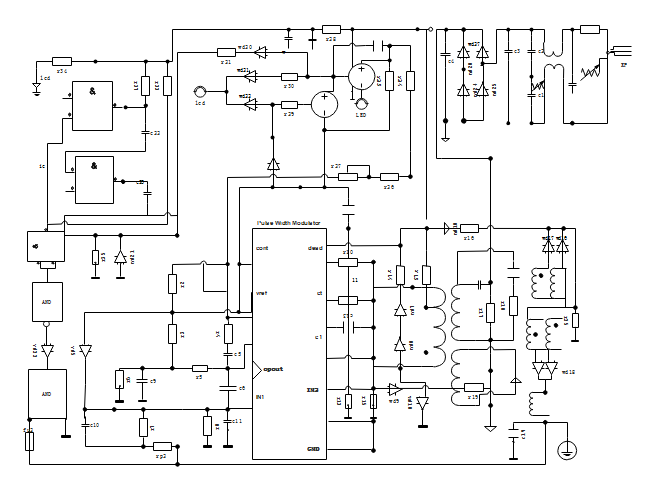
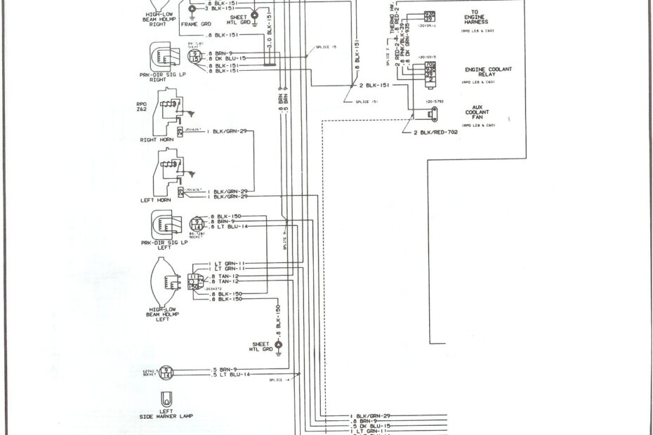
2011 Ford F350 Wiring Diagram
2011 Ford F350 Wiring Diagram – Learn About Your Wiring Setup Better with a Accurate Wiring Diagram 2011 Ford F350 Wiring Diagram When it comes to working on your 2011 Ford F350, having a wiring… 2011 Ford F350 Wiring Diagram








