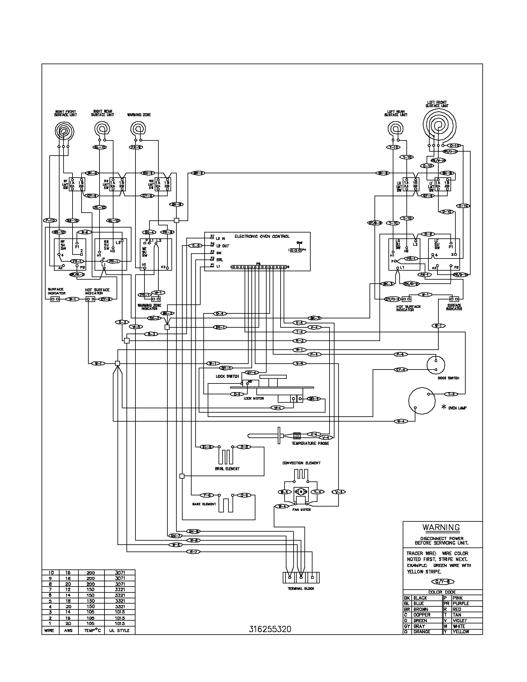
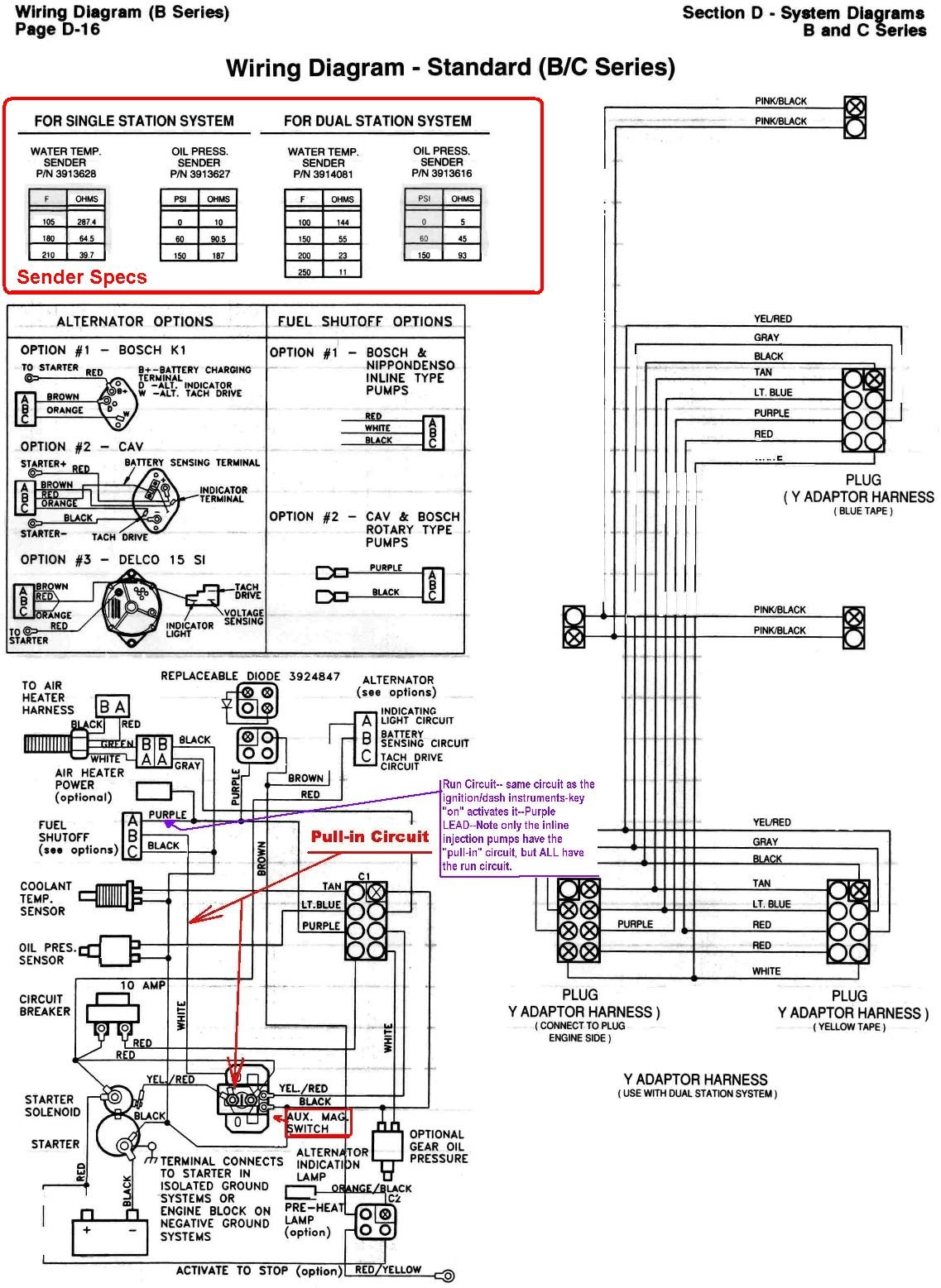
All Wiring Diagram – Understand Your Wiring Setup Better with a Clear Electrical Schematic
When it comes to electrical systems, having a wiring diagram is essential for understanding how everything is connected. A wiring diagram is a visual representation of the electrical system or circuit in a vehicle, building, or other equipment. It shows the components of the circuit as simplified shapes, and the power and signal connections between them.
With an all wiring diagram, you can easily identify the different components of the system and how they are connected. This can be extremely helpful when troubleshooting electrical issues or when making modifications to the system. It provides a roadmap of the electrical system, allowing you to see how everything is wired together.
Whether you’re involved in a DIY home upgrade or maintaining your automobile, having a clear and accurate wiringdiagram is crucial. It helps you see how circuit elements are connected and ensures a secure, efficient setup.
Whether you’re a small business owner, payroll manager, or independent contractor, using aprintable payroll form helps ensure accurate record-keeping. Simply access the template, print it, and complete it by hand or type directly into the file before printing.
A wiring diagram visually represents electrical circuits, showing the flow of electricity and how different modules like switches, outlets, protective devices, and connectors interact. This makes it easier to spot errors, improve installations, or add components without trial and error.
All Wiring Diagram
Many resources offer complimentary or customizable wiringdiagram templates for cars, household electronics, LED setups, and more. These diagrams are particularly helpful for hobbyists, technicians, and engineers who need clear references.
By using a proper wiring diagrams, you reduce the risk of errors, increase efficiency, and ensure all projects is in compliance. Don’t start your next repair blindly—search for a verified wiringdiagram and build safely today!
Save and Print All Wiring Diagram
Wiring Diagram For Stratocaster
Wiring diagrams can vary in complexity, from simple diagrams for basic electrical systems to more detailed diagrams for complex systems. They are typically used by electricians, technicians, and engineers to understand and work with electrical systems effectively.
Having access to an all wiring diagram can save you time and frustration when working on electrical systems. It can help you avoid costly mistakes and ensure that everything is connected correctly. Whether you are working on a car, a home electrical system, or a piece of machinery, having a wiring diagram at your disposal is invaluable.
Overall, wiring diagrams are an essential tool for anyone working with electrical systems. They provide a clear and concise representation of how the system is wired, making it easier to understand and work with. With an all wiring diagram, you can confidently tackle any electrical project with ease.
So, next time you are working on an electrical system, make sure to have a wiring diagram handy. It will make your job much easier and ensure that everything is connected correctly. With the help of a wiring diagram, you can tackle any electrical project with confidence and precision.




