Alldata Wiring Diagrams – Learn About Your Circuit Design Better with a Detailed Electrical Schematic
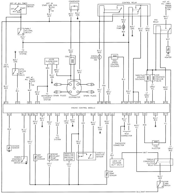
Alldata Wiring Diagrams are comprehensive and detailed diagrams that provide information on the electrical wiring and circuits in vehicles. These diagrams are essential for technicians and mechanics to troubleshoot and repair electrical issues in cars, trucks, and other vehicles. Alldata is a trusted source for automotive repair information, and their wiring diagrams are an invaluable resource for anyone working on vehicle electrical systems.
With Alldata Wiring Diagrams, users can access detailed schematics that show the connections between various components in a vehicle’s electrical system. These diagrams help technicians identify faulty wiring, troubleshoot electrical problems, and make accurate repairs. Whether you’re working on a simple wiring issue or a complex electrical problem, Alldata Wiring Diagrams can help you get the job done efficiently and effectively.
Whether you’re handling a home improvement project or repairing your vehicle, having a clear and accurate wiring diagrams is essential. It helps you understand how circuit elements are linked and ensures a risk-free, organized setup.
Whether you’re a freelancer, payroll manager, or sole proprietor, using aprintable payroll form helps ensure accurate record-keeping. Simply get the template, print it, and fill it out by hand or type directly into the file before printing.
A electrical schematic visually represents electrical circuits, showing the paths for current flow and how different parts like controls, outlets, protective devices, and connectors work together. This makes it easier to troubleshoot issues, make upgrades, or add components without confusion.
Alldata Wiring Diagrams
Many resources offer no-cost or tailored electrical schematic templates for vehicles, household electronics, lighting systems, and more. These diagrams are particularly useful for hobbyists, technicians, and engineers who need trustworthy references.
By using a proper electrical Schematic, you minimize mistakes, cut down time, and ensure all circuit modifications is in compliance. Don’t start your next project blindly—search for a verified Alldata Wiring Diagrams and build safely today!
Save and Print Alldata Wiring Diagrams
One of the key benefits of using Alldata Wiring Diagrams is the level of detail they provide. These diagrams include information on wire colors, connector locations, and component positions, making it easy to follow the electrical pathways in a vehicle. Additionally, Alldata Wiring Diagrams are regularly updated to ensure they reflect the latest vehicle models and electrical systems, giving technicians access to the most up-to-date information available.
Another advantage of Alldata Wiring Diagrams is their user-friendly interface. The diagrams are easy to navigate and search, allowing technicians to quickly find the information they need. This can save time and effort when diagnosing and repairing electrical issues, helping technicians complete jobs more efficiently and accurately.
In conclusion, Alldata Wiring Diagrams are an essential tool for anyone working on vehicle electrical systems. These detailed and comprehensive diagrams provide valuable information that can help technicians troubleshoot and repair electrical issues in cars, trucks, and other vehicles. With their up-to-date information and user-friendly interface, Alldata Wiring Diagrams are a trusted resource for automotive repair professionals.





