Auto Zone Wiring Diagrams – Learn About Your Circuit Design Better with a Accurate Electrical Schematic
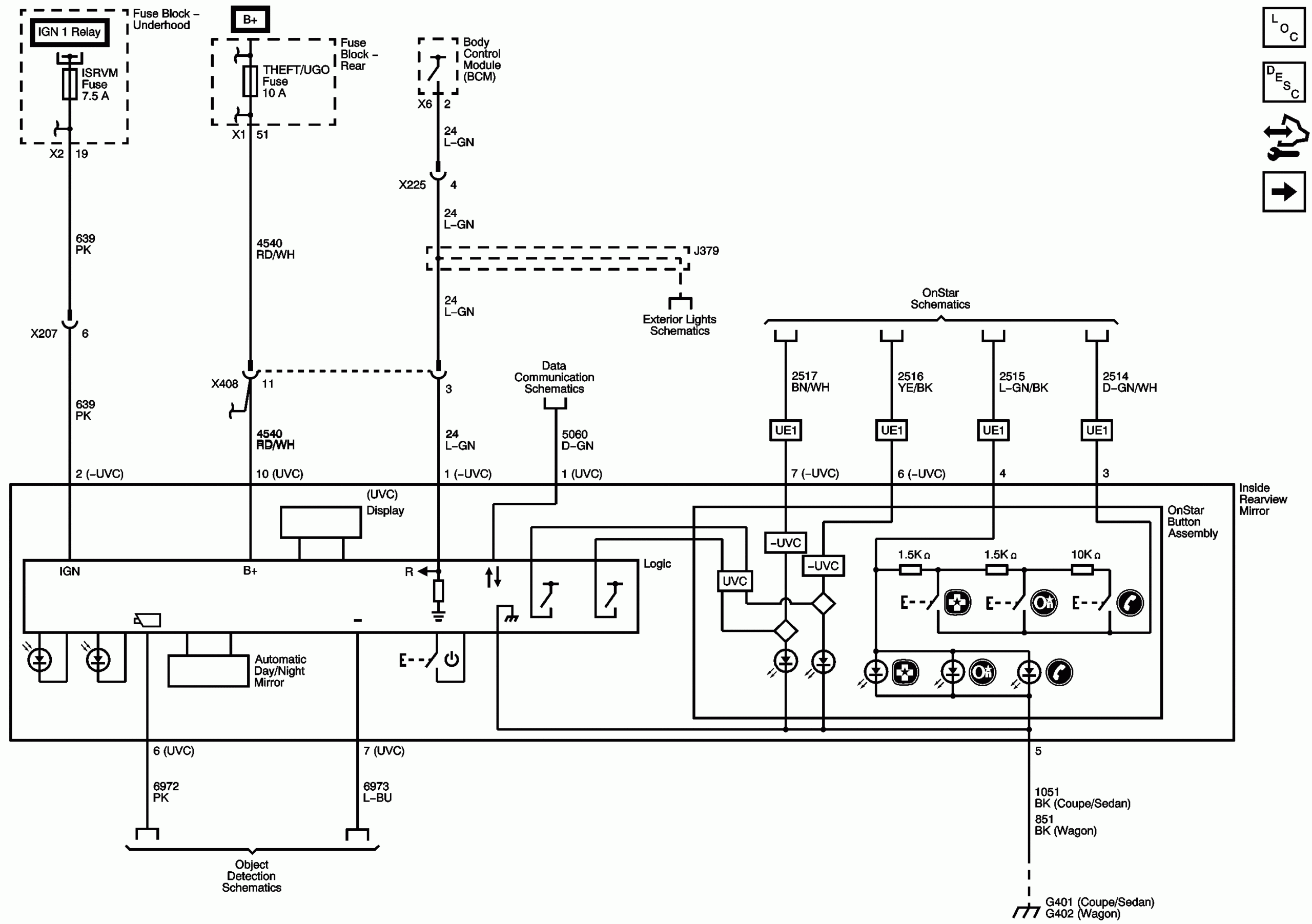
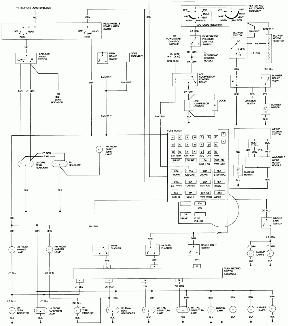
Auto Zone wiring diagrams are essential tools for anyone working on their car’s electrical system. These diagrams provide detailed information on the wiring and connections of various components in a vehicle, helping users to troubleshoot and repair any electrical issues effectively.
Whether you are a seasoned mechanic or a DIY enthusiast, having access to accurate wiring diagrams can save you time and frustration when working on your car. Auto Zone offers a wide range of wiring diagrams for different makes and models, making it easier for users to find the information they need.
Whether you’re handling a home improvement project or fixing your automobile, having a well-drawn and reliable wiringdiagram is important. It helps you understand how circuit elements are connected and ensures a risk-free, organized setup.
Whether you’re a startup founder, HR professional, or sole proprietor, using apayroll printable helps ensure proper documentation. Simply download the template, produce a hard copy, and complete it by hand or type directly into the file before printing.
A Auto Zone Wiring Diagrams visually represents wiring systems, showing the paths for current flow and how different components like switches, plugs, fuses, and terminals are linked. This makes it easier to troubleshoot issues, make upgrades, or add components without confusion.
Auto Zone Wiring Diagrams
Many websites offer complimentary or editable wiringdiagram templates for automobiles, home appliances, LED setups, and more. These diagrams are particularly valuable for DIY enthusiasts, electricians, and builders who need reliable references.
By using a proper wiring diagram, you reduce the risk of errors, cut down time, and ensure all projects is in compliance. Don’t start your next project blindly—search for a verified Auto Zone Wiring Diagrams and design with clarity today!
Easily Download and Print Auto Zone Wiring Diagrams
Three Wire Zone Valve Wiring Wiring Diagrams Hubs Honeywell Zone
Wiring Diagrams For Boiler Zone Valves
Wiring Diagrams For Boiler Zone Valves
Auto Wiring Diagrams Your Blog Description
With Auto Zone wiring diagrams, you can easily locate and identify specific wires, connectors, and components within your vehicle’s electrical system. This can be especially helpful when dealing with complex electrical issues that require a thorough understanding of the wiring layout.
By using Auto Zone wiring diagrams, you can ensure that your repairs are done correctly and safely, preventing any potential damage to your vehicle’s electrical system. These diagrams are designed to be user-friendly and easy to follow, making them accessible to both professionals and beginners in automotive repair.
Whether you are looking to diagnose a faulty sensor, install aftermarket accessories, or simply understand the wiring layout of your vehicle, Auto Zone wiring diagrams can provide you with the information you need. With step-by-step instructions and detailed illustrations, these diagrams can help you tackle any electrical issue with confidence.
In conclusion, Auto Zone wiring diagrams are valuable resources for anyone working on their car’s electrical system. With accurate and detailed information, these diagrams can help you troubleshoot, repair, and maintain your vehicle’s wiring with ease. Whether you are a seasoned mechanic or a beginner in automotive repair, having access to reliable wiring diagrams can make a significant difference in the quality of your work.

