Autodata Wiring Diagrams – Master Your Circuit Design Better with a Clear WiringDiagram
Autodata is a popular resource for automotive technicians and mechanics, providing detailed information on vehicle specifications, maintenance schedules, diagnostic codes, and more. One of the most valuable features of Autodata is its extensive collection of wiring diagrams, which can be essential when troubleshooting electrical issues in a vehicle.
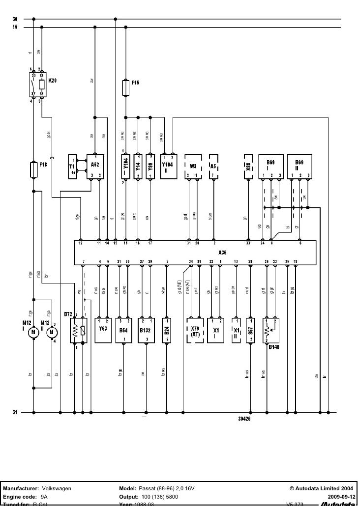
Wiring diagrams are detailed schematics that illustrate the connections between various components in a vehicle’s electrical system. They show the paths that electrical current takes as it flows through the system, helping technicians identify potential problem areas and make accurate repairs.
Whether you’re involved in a home improvement project or maintaining your automobile, having a well-drawn and reliable electrical schematic is essential. It helps you see how wires and parts are linked and ensures a risk-free, organized setup.
Whether you’re a freelancer, HR professional, or sole proprietor, using aprintable payroll form helps ensure accurate record-keeping. Simply access the template, print it, and fill it out by hand or type directly into the file before printing.
A wiring diagrams visually represents current paths, showing the flow of electricity and how different components like switches, outlets, protective devices, and connectors work together. This makes it easier to identify problems, improve installations, or install new systems without confusion.
Autodata Wiring Diagrams
Many resources offer free or tailored wiringdiagram templates for cars, household electronics, lighting systems, and more. These diagrams are particularly helpful for DIY enthusiasts, technicians, and engineers who need reliable references.
By using a proper wiring diagrams, you reduce the risk of errors, increase efficiency, and ensure all electrical work is in compliance. Don’t start your next project blindly—search for a verified wiring diagrams and work with confidence today!
Quickly Access and Print Autodata Wiring Diagrams
How To Read Autodata Wiring Diagrams Wiring Diagram
Car Wiring Diagrams And Software Autodata ZA
Wiring Diagrams Screenshot Russian Autodata Group UK
Wiring Diagrams Screenshot Spanish Autodata Group UK
With Autodata Wiring Diagrams, technicians can access diagrams for a wide range of vehicles, including cars, trucks, and motorcycles. These diagrams are easy to read and follow, with color-coded wires and clear labels for each component. This makes it easier for technicians to pinpoint the source of an electrical issue and make the necessary repairs quickly and efficiently.
Autodata Wiring Diagrams also provide valuable information on the location of connectors, fuses, and relays within a vehicle’s electrical system. This can be incredibly useful when trying to locate a specific component or troubleshoot a complex wiring issue. By referring to the wiring diagram, technicians can save time and avoid unnecessary disassembly of vehicle components.
In addition to being a valuable tool for diagnosing and repairing electrical issues, Autodata Wiring Diagrams can also help technicians understand the overall layout of a vehicle’s electrical system. This can be useful when installing new components or accessories, as it provides a clear picture of how everything is connected and how it should function.
In conclusion, Autodata Wiring Diagrams are an essential resource for automotive technicians and mechanics. With detailed schematics and clear, easy-to-follow diagrams, technicians can quickly and accurately diagnose and repair electrical issues in a wide range of vehicles. Whether you’re a seasoned professional or a DIY enthusiast, having access to Autodata Wiring Diagrams can make troubleshooting electrical problems a breeze.

