Bmw Wiring Diagram – Understand Your Electrical System Better with a Accurate WiringDiagram
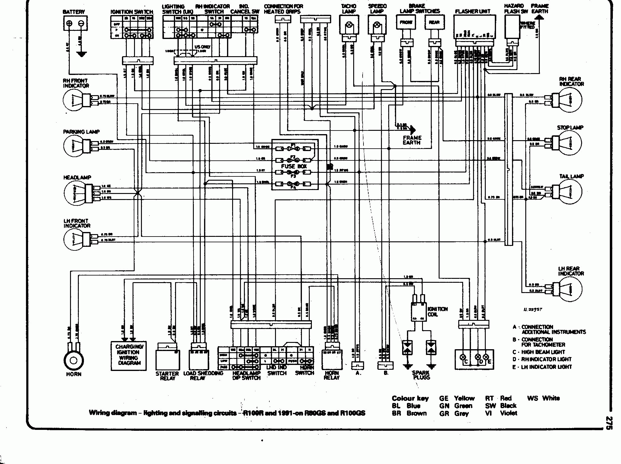
When it comes to understanding the electrical system of your BMW, having a wiring diagram can be incredibly helpful. A wiring diagram is a detailed illustration of the electrical connections and components within the vehicle, showing how they are connected and where they are located. This information can be crucial for troubleshooting and repairing electrical issues in your BMW.
BMW wiring diagrams are typically color-coded and labeled with symbols to make it easier to follow. They provide a visual representation of the wiring harnesses, connectors, fuses, and other electrical components in your BMW. Whether you are a DIY enthusiast or a professional mechanic, having access to a wiring diagram can save you time and frustration when working on your vehicle.
Whether you’re involved in a house renovation or repairing your automobile, having a well-drawn and reliable wiring diagram is important. It helps you visualize how wires and parts are wired and ensures a secure, efficient setup.
Whether you’re a startup founder, HR professional, or sole proprietor, using aprintable payroll form helps ensure accurate record-keeping. Simply get the template, produce a hard copy, and fill it out by hand or edit it digitally before printing.
A wiring diagram visually represents current paths, showing the flow of electricity and how different components like switches, outlets, protective devices, and connectors work together. This makes it easier to identify problems, improve installations, or set up circuits without guesswork.
Bmw Wiring Diagram
Many websites offer free or editable electrical schematic templates for automobiles, home appliances, LED setups, and more. These diagrams are particularly useful for DIY enthusiasts, technicians, and engineers who need trustworthy references.
By using a proper Bmw Wiring Diagram, you avoid faults, increase efficiency, and ensure all circuit modifications is done correctly. Don’t start your next repair blindly—search for a trusted electrical Schematic and build safely today!
Easily Download and Print Bmw Wiring Diagram
DIAGRAM Wds Bmw Wiring Diagram System MYDIAGRAM ONLINE
Bmw E30 Obc Wiring Diagram Wiring Diagram
With a BMW wiring diagram, you can easily identify the wiring for specific components such as the engine, transmission, lighting, and audio systems. This can help you trace the source of a problem, whether it’s a faulty connection, a blown fuse, or a damaged wire. By following the wiring diagram, you can ensure that any repairs or modifications are done correctly and safely.
It’s important to note that BMW wiring diagrams can vary depending on the model and year of your vehicle. It’s essential to find the correct diagram that matches your BMW’s specifications to avoid confusion or errors. Many online resources offer access to BMW wiring diagrams for various models, making it easier to find the information you need.
Whether you are looking to diagnose an electrical issue, install new components, or simply understand how your BMW’s electrical system works, a wiring diagram is a valuable tool to have. By following the wiring diagram carefully, you can ensure that your BMW’s electrical system is functioning correctly and efficiently. Don’t hesitate to consult a wiring diagram whenever you need guidance on your BMW’s electrical system.
Having a BMW wiring diagram at your disposal can make a significant difference in how you approach electrical work on your vehicle. By understanding the connections and components within your BMW, you can tackle electrical issues with confidence and precision. Make sure to utilize wiring diagrams whenever necessary to keep your BMW running smoothly and efficiently.



