Skip to content

Electrician Wiring Diagrams

  • by

Electrician Wiring Diagrams – Master Your Wiring Setup Better with a Clear WiringDiagram

Wiring Diagrams And Grounding Electrical OnlineElectrician Wiring Diagrams

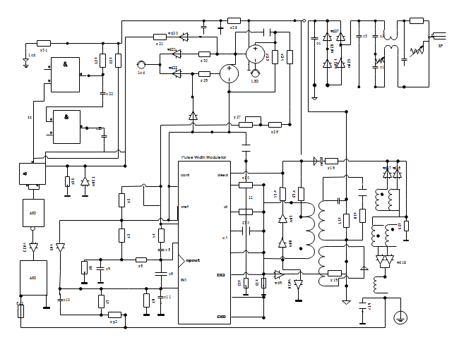
Electrician wiring diagrams are essential tools for electricians to understand the layout of electrical systems in buildings. These diagrams provide a visual representation of how wires and components are connected, making it easier for electricians to troubleshoot issues and make repairs.

By following these diagrams, electricians can ensure that electrical systems are installed correctly and safely. They help to identify the location of circuits, switches, outlets, and other components, allowing electricians to work efficiently and effectively.

Whether you’re handling a house renovation or maintaining your car, having a clear and accurate Electrician Wiring Diagrams is crucial. It helps you visualize how wires and parts are linked and ensures a risk-free, organized setup.

Whether you’re a small business owner, HR professional, or sole proprietor, using aElectrician Wiring Diagrams helps ensure accurate record-keeping. Simply get the template, produce a hard copy, and fill it out by hand or type directly into the file before printing.

A wiringdiagram visually represents wiring systems, showing the flow of electricity and how different parts like switches, plugs, fuses, and connectors are linked. This makes it easier to identify problems, improve installations, or add components without trial and error.

Electrician Wiring Diagrams

Many websites offer no-cost or customizable wiring diagrams templates for cars, household electronics, LED setups, and more. These diagrams are particularly valuable for hobbyists, technicians, and builders who need clear references.

By using a proper wiring diagram, you avoid faults, increase efficiency, and ensure all electrical work is up to code. Don’t start your next repair blindly—search for a professional wiring diagrams and design with clarity today!

Save and Print Electrician Wiring Diagrams

Wiring Diagrams And Grounding Electrical OnlineWiring Diagrams And Grounding Electrical Online

Electrician Wiring DiagramsElectrician Wiring Diagrams

Electrician Wiring DiagramsElectrician Wiring Diagrams

Electrician Wiring DiagramsElectrician Wiring Diagrams

Electrician Wiring Diagrams AndersGarnowElectrician Wiring Diagrams AndersGarnow

Understanding how to read and interpret wiring diagrams is a crucial skill for electricians. These diagrams use symbols and color-coding to represent different electrical components and connections. With the right knowledge, electricians can quickly identify problems and make the necessary repairs.

Electrician wiring diagrams also play a key role in the design and installation of new electrical systems. By creating detailed diagrams, electricians can plan the layout of circuits and components, ensuring that everything is correctly installed and connected.

Overall, electrician wiring diagrams are invaluable tools that help electricians to navigate complex electrical systems with ease. Whether they are troubleshooting issues or installing new systems, these diagrams provide a clear and concise guide to the layout and connections of electrical components.

Next time you see an electrician at work, remember that they are using wiring diagrams to ensure that everything is wired correctly and safely. These diagrams are a fundamental part of the electrician’s toolkit and are essential for maintaining the safety and functionality of electrical systems.