Factory Wiring Diagram – Master Your Electrical System Better with a Detailed WiringDiagram
When it comes to understanding the intricate electrical systems of factories, having a detailed wiring diagram is essential. A factory wiring diagram is a visual representation of the electrical connections within a facility, showing how various components are connected and powered. This diagram serves as a roadmap for technicians and electricians to troubleshoot issues, make repairs, and ensure the safety and efficiency of the factory’s electrical system.
Without a proper wiring diagram, diagnosing and fixing electrical problems in a factory can be a daunting task. It provides a clear and organized overview of the system, making it easier to identify potential issues and locate specific components. By following the wiring diagram, technicians can quickly pinpoint the source of a problem and take the necessary steps to resolve it efficiently.
Whether you’re involved in a home improvement project or repairing your automobile, having a easy-to-read wiringdiagram is important. It helps you visualize how wires and parts are connected and ensures a risk-free, organized setup.
Whether you’re a freelancer, HR professional, or independent contractor, using apayroll printable helps ensure accurate record-keeping. Simply access the template, print it, and complete it by hand or edit it digitally before printing.
A wiring diagrams visually represents current paths, showing the direction of power and how different parts like switches, outlets, protective devices, and terminals are linked. This makes it easier to spot errors, make upgrades, or set up circuits without confusion.
Factory Wiring Diagram
Many resources offer complimentary or tailored Factory Wiring Diagram templates for cars, household electronics, lighting systems, and more. These diagrams are particularly helpful for hobbyists, technicians, and engineers who need trustworthy references.
By using a proper electrical Schematic, you reduce the risk of errors, save time, and ensure all circuit modifications is up to code. Don’t start your next project blindly—search for a trusted Factory Wiring Diagram and build safely today!
Easily Download and Print Factory Wiring Diagram
Ford F 150 Factory Subwoofer Wiring Diagram Wiring Diagram Trailer
Rv Wiring Diagram Rv Transfer Switch Wiring Diagram Wiring Diagram
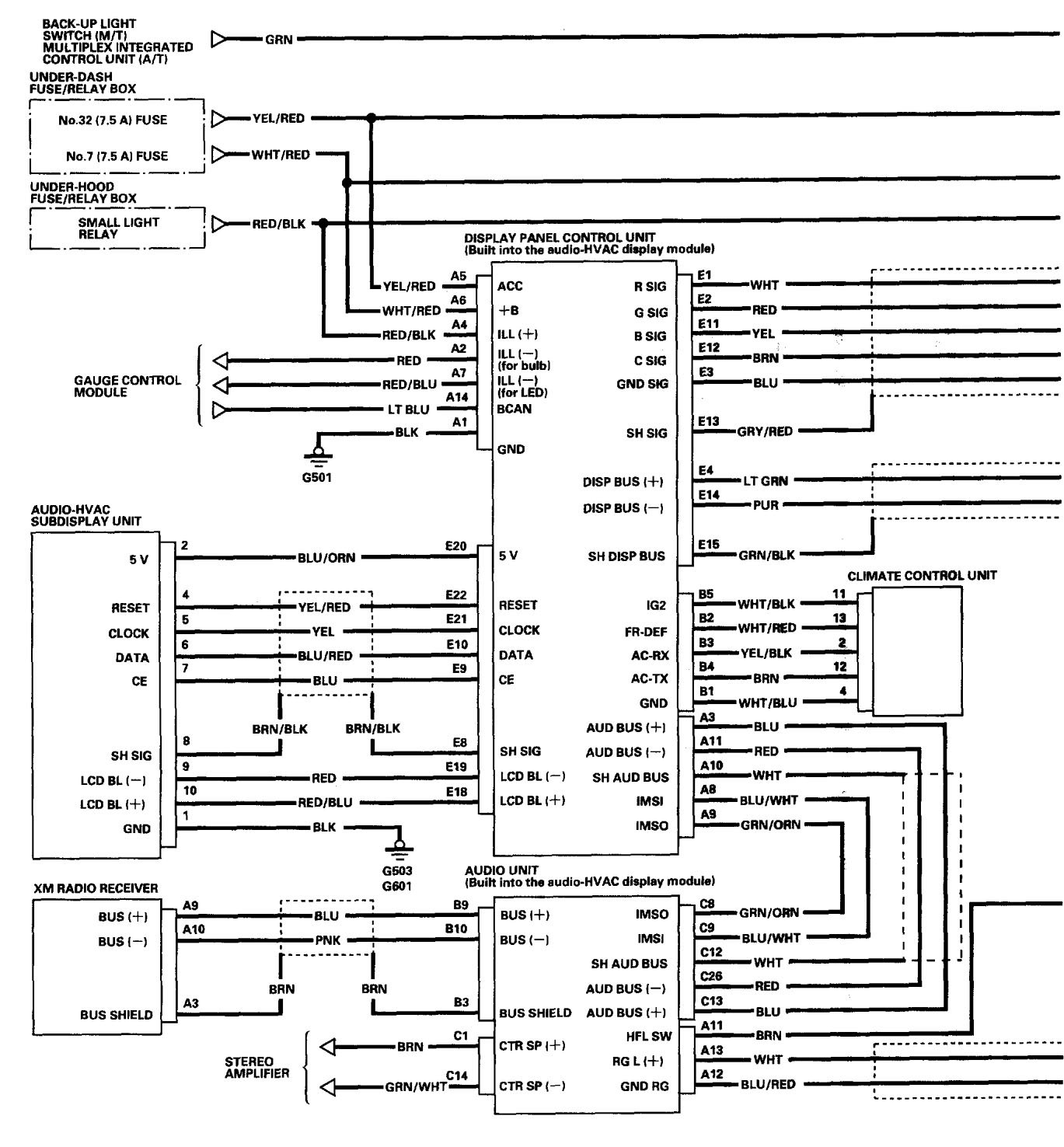
2004 Acura Mdx Radio Factory Wiring Diagram Key1
DIAGRAM York Factory Diagram WIRINGSCHEMA COM
Chevy Factory Radio Wiring Diagram
Factory wiring diagrams typically include detailed information about the layout of the electrical system, the types of components used, and the wiring connections between them. They may also include information about voltage requirements, current ratings, and safety precautions. By referring to the wiring diagram, technicians can ensure that they are following the correct procedures and using the appropriate tools and equipment for the job.
Having a well-documented wiring diagram for a factory can also help with maintenance and upgrades. When modifications or additions need to be made to the electrical system, technicians can use the diagram as a reference to ensure that the changes are implemented correctly. This can help prevent costly mistakes and ensure that the system continues to operate safely and efficiently.
In conclusion, a factory wiring diagram is an essential tool for maintaining and troubleshooting the electrical systems in a factory. By providing a clear and organized overview of the system’s components and connections, it helps technicians diagnose and fix problems quickly and efficiently. Having a reliable wiring diagram can save time and money, while also ensuring the safety and reliability of the factory’s electrical system.
