Ford Wiring Diagrams Free – Understand Your Circuit Design Better with a Accurate Wiring Diagram
When it comes to working on your Ford vehicle, having access to accurate wiring diagrams is essential. Whether you’re a professional mechanic or a DIY enthusiast, having the right information at your fingertips can make all the difference in getting the job done right the first time.
Fortunately, there are resources available online that offer Ford wiring diagrams for free. These diagrams provide detailed information on the electrical systems of Ford vehicles, making it easier to diagnose and repair any issues that may arise.
Whether you’re handling a home improvement project or repairing your vehicle, having a easy-to-read wiring diagrams is important. It helps you visualize how electrical components are linked and ensures a safe, organized setup.
Whether you’re a small business owner, HR professional, or independent contractor, using aFord Wiring Diagrams Free helps ensure compliance with regulations. Simply access the template, produce a hard copy, and fill it out by hand or type directly into the file before printing.
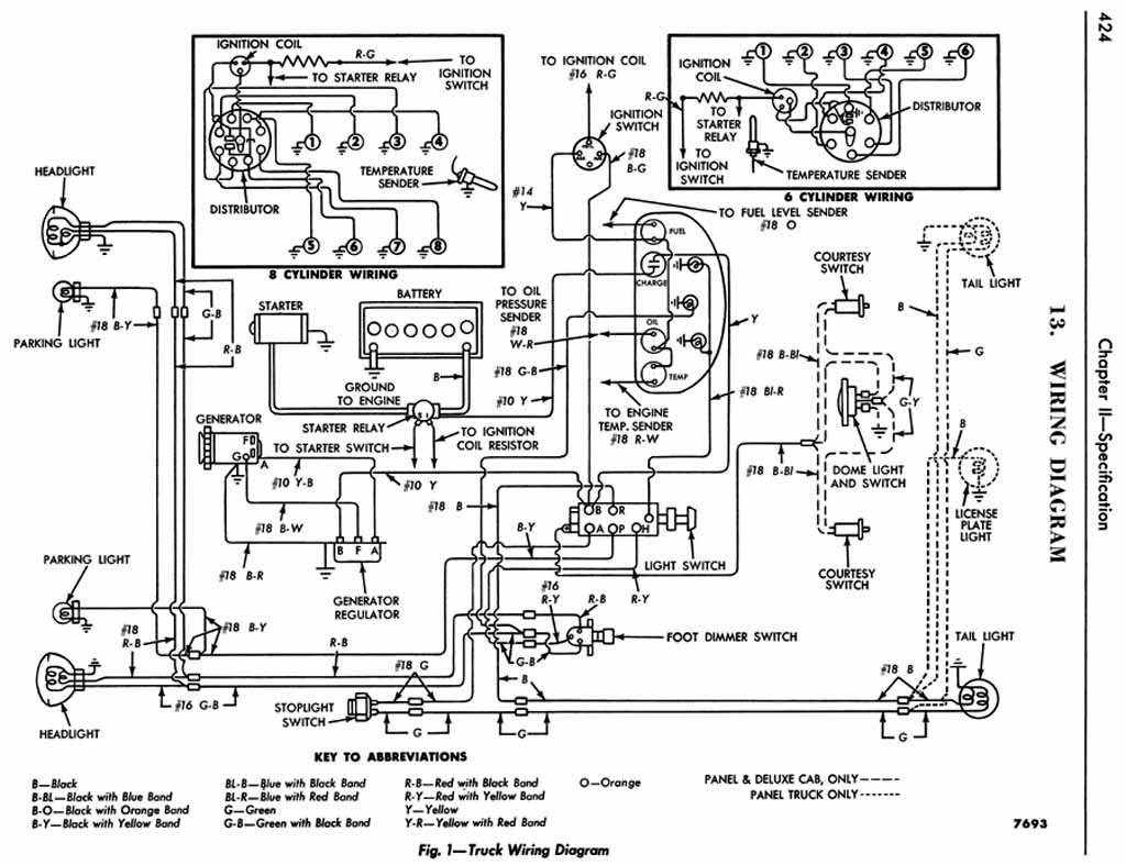
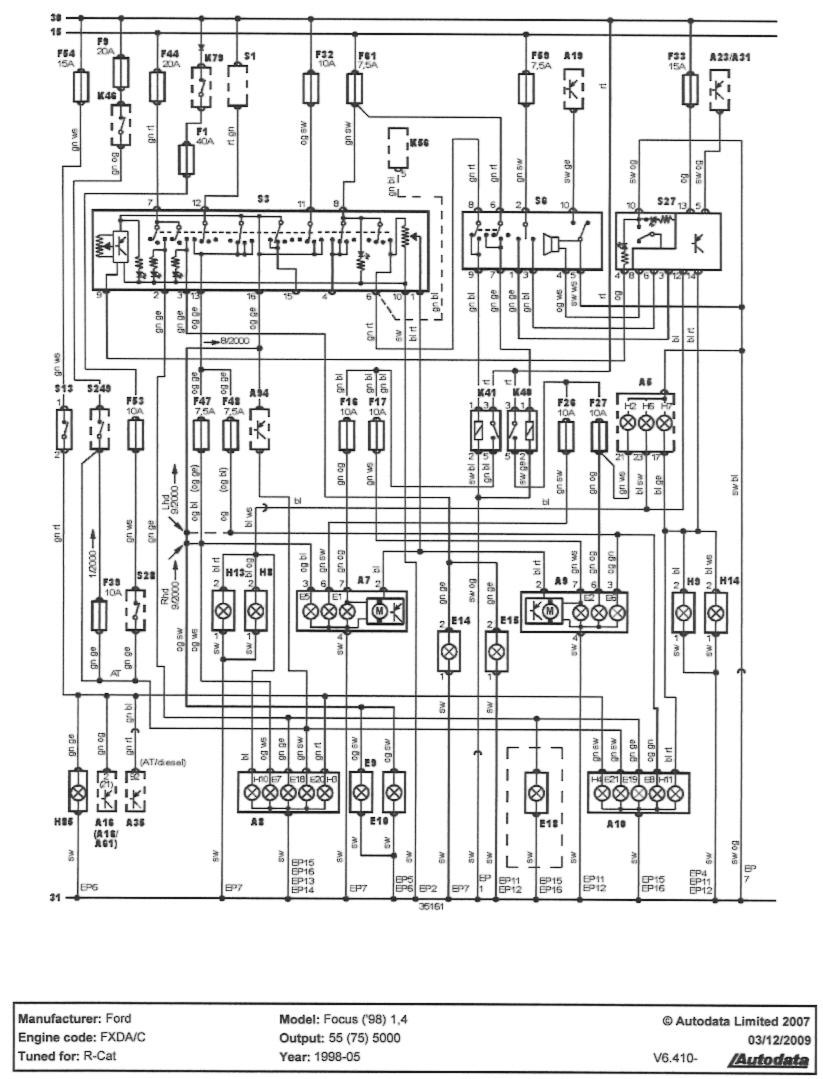
A electrical schematic visually represents electrical circuits, showing the paths for current flow and how different parts like controls, outlets, fuses, and connectors work together. This makes it easier to identify problems, make upgrades, or add components without trial and error.
Ford Wiring Diagrams Free
Many websites offer no-cost or editable wiring diagram templates for cars, household electronics, lighting systems, and more. These diagrams are particularly helpful for hobbyists, technicians, and engineers who need trustworthy references.
By using a proper Ford Wiring Diagrams Free, you minimize mistakes, increase efficiency, and ensure all circuit modifications is done correctly. Don’t start your next project blindly—search for a trusted wiringdiagram and design with clarity today!
Quickly Access and Print Ford Wiring Diagrams Free
2008 Ford F 350 DIESEL Wiring Diagram Auto Wiring Diagrams
Ford Wiring Diagrams Free Download Carmanualshub
One of the benefits of using free Ford wiring diagrams is that they can save you time and money. Instead of spending hours trying to trace wires or guessing at connections, you can simply refer to the diagram for the specific year and model of your Ford vehicle.
Additionally, having access to accurate wiring diagrams can help you avoid costly mistakes that could potentially damage your vehicle’s electrical system. By following the diagrams carefully, you can ensure that any repairs or modifications are done correctly and safely.
Another advantage of using free Ford wiring diagrams is that they can help you understand the inner workings of your vehicle’s electrical system. This knowledge can be invaluable when troubleshooting issues or planning upgrades, giving you a better understanding of how everything is connected and where potential problems may arise.
In conclusion, having access to free Ford wiring diagrams can be a valuable resource for anyone working on their Ford vehicle. Whether you’re tackling a simple repair or a complex electrical issue, having the right information at your fingertips can make the process much smoother and more efficient.



