Free Car Wiring Diagram – Understand Your Circuit Design Better with a Detailed Wiring Diagram
Car wiring diagrams are essential tools for any car owner or mechanic. They provide detailed information about the electrical system of a vehicle, including the wiring schematics, circuit diagrams, and component locations. Having access to a free car wiring diagram can save you time and money when troubleshooting electrical issues in your vehicle.
With the advancement of technology, many websites now offer free car wiring diagrams that can be accessed online. These diagrams are often user-friendly and easy to navigate, making it simple for anyone to find the information they need. Whether you are looking to diagnose a problem with your car’s electrical system or simply want to understand how it works, a free car wiring diagram can be a valuable resource.
Whether you’re working on a home improvement project or fixing your automobile, having a clear and accurate electrical schematic is crucial. It helps you see how circuit elements are linked and ensures a secure, efficient setup.
Whether you’re a startup founder, HR professional, or sole proprietor, using apayroll printable helps ensure accurate record-keeping. Simply download the template, print it, and fill it out by hand or edit it digitally before printing.
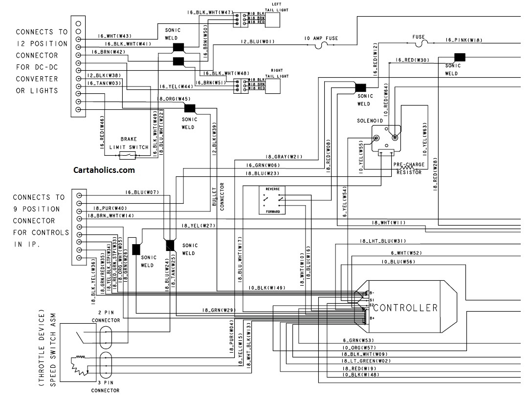
A Free Car Wiring Diagram visually represents wiring systems, showing the direction of power and how different parts like controls, plugs, fuses, and terminals interact. This makes it easier to troubleshoot issues, enhance systems, or set up circuits without confusion.
Free Car Wiring Diagram
Many online platforms offer complimentary or tailored electrical schematic templates for cars, home appliances, LED setups, and more. These diagrams are particularly valuable for hobbyists, electricians, and builders who need reliable references.
By using a proper wiringdiagram, you reduce the risk of errors, cut down time, and ensure all circuit modifications is done correctly. Don’t start your next electrical task blindly—search for a trusted Free Car Wiring Diagram and work with confidence today!
Quickly Access and Print Free Car Wiring Diagram
Toyota Hilux Wiring Diagram Car Anatomy
Mitsubishi Radio Wiring Diagram
Old School Car Equalizer Wiring Diagram 21 Images
Free Car Wiring Diagram Software
One of the benefits of using a free car wiring diagram is that it can help you pinpoint the source of an electrical problem quickly. Instead of spending hours tracing wires and testing components, you can simply refer to the diagram to see how the system is supposed to be wired. This can save you time and frustration, allowing you to make repairs more efficiently.
Additionally, a free car wiring diagram can also be a helpful educational tool for those looking to learn more about automotive electrical systems. By studying the diagrams and understanding how the various components are connected, you can gain a better understanding of how your car works. This knowledge can empower you to tackle more advanced DIY projects and make informed decisions about repairs and upgrades.
In conclusion, having access to a free car wiring diagram can be a valuable resource for car owners and mechanics alike. Whether you are troubleshooting a problem, learning more about your vehicle’s electrical system, or just curious about how it all works, a wiring diagram can provide the information you need. Take advantage of the many websites that offer free car wiring diagrams and empower yourself to tackle electrical issues with confidence.

