Free Wiring Diagram Online – Master Your Electrical System Better with a Detailed Electrical Schematic
When it comes to working on electrical projects, having access to accurate wiring diagrams is essential. These diagrams provide a visual representation of the electrical connections within a system, making it easier to troubleshoot issues and make repairs. In the past, obtaining wiring diagrams often required purchasing expensive manuals or subscribing to online services. However, with the advent of the internet, free wiring diagrams are now readily available online.
Free wiring diagram websites offer a vast collection of diagrams for various types of systems, including automotive, residential, and industrial applications. These diagrams are typically organized by make and model, making it easy to find the specific diagram needed for a project. Additionally, many sites offer interactive features that allow users to zoom in on specific areas of the diagram or search for specific components.
Whether you’re handling a house renovation or maintaining your car, having a well-drawn and reliable wiring diagram is essential. It helps you understand how electrical components are wired and ensures a secure, efficient setup.
Whether you’re a freelancer, HR professional, or sole proprietor, using aprintable payroll form helps ensure compliance with regulations. Simply access the template, produce a hard copy, and fill it out by hand or edit it digitally before printing.
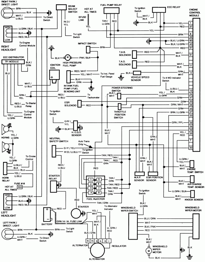
A wiringdiagram visually represents wiring systems, showing the flow of electricity and how different modules like switches, outlets, protective devices, and connectors are linked. This makes it easier to spot errors, improve installations, or add components without trial and error.
Free Wiring Diagram Online
Many online platforms offer complimentary or tailored Free Wiring Diagram Online templates for cars, household electronics, lighting systems, and more. These diagrams are particularly valuable for hobbyists, technicians, and builders who need reliable references.
By using a proper wiring diagrams, you minimize mistakes, cut down time, and ensure all circuit modifications is in compliance. Don’t start your next electrical task blindly—search for a trusted wiringdiagram and work with confidence today!
Get and Print Free Wiring Diagram Online
Dodge Ram Wiring Diagram Database Wiring My XXX Hot Girl
Step By Step Guide 1981 Chevy Truck Wiring Diagram
4 Best Images Of Residential Wiring Diagrams House Electrical
DIAGRAM Ford F250 Wiring Diagram Online MYDIAGRAM ONLINE
Wiring Diagram Free Wiring Diagram And Schematics
One of the benefits of using free wiring diagram websites is the cost savings. Instead of having to purchase expensive manuals or pay for access to online databases, users can simply visit a free site and download the diagrams they need. This makes it more accessible for hobbyists, DIY enthusiasts, and small businesses to access the information they need to complete their projects.
Another advantage of free wiring diagram websites is the convenience they offer. Users can access the diagrams from anywhere with an internet connection, allowing them to work on projects in the garage, workshop, or job site. This flexibility makes it easier to troubleshoot issues on the fly and make quick repairs without having to wait for a manual to arrive in the mail.
In conclusion, free wiring diagram websites are a valuable resource for anyone working on electrical projects. They offer a cost-effective and convenient way to access the diagrams needed to troubleshoot issues and make repairs. By taking advantage of these online resources, users can save time and money while ensuring their projects are completed safely and efficiently.
