Freightliner Wiring Diagram – Master Your Electrical System Better with a Accurate Electrical Schematic
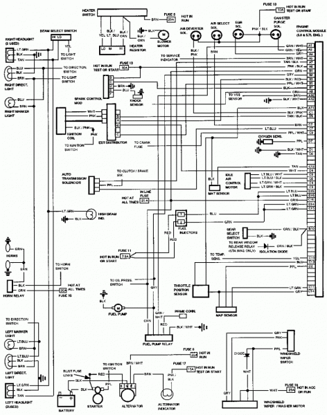
Freightliner trucks are known for their reliability and durability on the road. However, like any vehicle, they may encounter electrical issues that require troubleshooting. One of the key tools in diagnosing these issues is a wiring diagram, which provides a visual representation of the vehicle’s electrical system.
Having a Freightliner wiring diagram on hand can save time and frustration when trying to pinpoint the source of an electrical problem. Whether you are a professional mechanic or a DIY enthusiast, having access to accurate wiring diagrams can make the difference between a quick fix and a lengthy repair process.
Whether you’re handling a home improvement project or repairing your car, having a clear and accurate wiringdiagram is important. It helps you see how circuit elements are connected and ensures a secure, smooth setup.
Whether you’re a small business owner, administrator, or sole proprietor, using aprintable payroll helps ensure accurate record-keeping. Simply get the template, produce a hard copy, and complete it by hand or edit it digitally before printing.
A wiring diagram visually represents wiring systems, showing the direction of power and how different components like switches, outlets, fuses, and terminals interact. This makes it easier to spot errors, enhance systems, or set up circuits without confusion.
Freightliner Wiring Diagram
Many online platforms offer free or customizable wiringdiagram templates for cars, home appliances, lighting systems, and more. These diagrams are particularly helpful for DIY enthusiasts, technicians, and builders who need reliable references.
By using a proper electrical Schematic, you reduce the risk of errors, save time, and ensure all circuit modifications is up to code. Don’t start your next repair blindly—search for a trusted wiring diagram and design with clarity today!
Easily Download and Print Freightliner Wiring Diagram
Understanding The Freightliner Wiring Diagram A Step By Step Guide
Understanding The Freightliner Wiring Diagram A Step By Step Guide
2002 Thomas Bus Freightliner Heater Wiring Diagram
2002 Freightliner Wiring Diagram Wiring Diagram
Freightliner Wiring Diagram Diesel Repair
When looking at a Freightliner wiring diagram, it is important to understand the symbols and color codes used to represent different components and connections. This will help you navigate the diagram and locate the specific wires or circuits that need to be tested or replaced.
By following the wiring diagram for your specific Freightliner model, you can ensure that all electrical connections are properly made and functioning correctly. This will help prevent future issues and keep your truck running smoothly on the road.
In conclusion, a Freightliner wiring diagram is an invaluable tool for anyone working on the electrical system of these trucks. By understanding how to read and interpret these diagrams, you can troubleshoot and repair electrical issues with confidence. Whether you are a seasoned mechanic or a novice enthusiast, having access to accurate wiring diagrams can make all the difference in maintaining your Freightliner truck.
