Haynes Manual Wiring Diagrams – Learn About Your Circuit Design Better with a Accurate Haynes Manual Wiring Diagrams
Haynes Manual Wiring Diagrams are essential tools for anyone working on their own vehicle. These diagrams provide detailed information on the electrical systems of various cars, making it easier to diagnose and repair any issues that may arise. Whether you’re a seasoned mechanic or a DIY enthusiast, having access to accurate wiring diagrams can save you time and frustration.
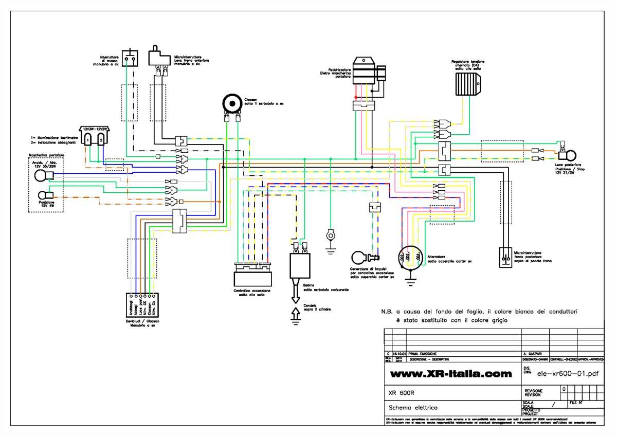
Haynes Manuals have been trusted by car owners for decades, providing step-by-step instructions and illustrations to help with maintenance and repairs. The wiring diagrams included in these manuals are no exception, offering clear and concise diagrams that make it easy to understand the complex wiring systems found in modern vehicles.
Whether you’re involved in a house renovation or maintaining your vehicle, having a easy-to-read electrical schematic is essential. It helps you visualize how wires and parts are wired and ensures a risk-free, efficient setup.
Whether you’re a small business owner, HR professional, or sole proprietor, using aprintable payroll template helps ensure compliance with regulations. Simply download the template, print it, and fill it out by hand or edit it digitally before printing.
A Haynes Manual Wiring Diagrams visually represents current paths, showing the direction of power and how different parts like controls, outlets, fuses, and connectors are linked. This makes it easier to spot errors, enhance systems, or set up circuits without trial and error.
Haynes Manual Wiring Diagrams
Many online platforms offer no-cost or customizable electrical schematic templates for cars, home appliances, lighting systems, and more. These diagrams are particularly helpful for hobbyists, electricians, and builders who need reliable references.
By using a proper Haynes Manual Wiring Diagrams, you reduce the risk of errors, save time, and ensure all circuit modifications is up to code. Don’t start your next repair blindly—search for a trusted electrical Schematic and design with clarity today!
Get and Print Haynes Manual Wiring Diagrams
Do Haynes Manuals Include Detailed Wiring Diagrams
How To Read Haynes Manual Wiring Diagrams Wiring Diagram
Haynes Manual Wiring Diagrams Herbalium
Unraveling The Complexity Haynes Wiring Diagrams
Having a Haynes Manual Wiring Diagram on hand can be a lifesaver when troubleshooting electrical problems in your car. These diagrams show the connections between various components, such as sensors, switches, and relays, allowing you to pinpoint the source of the issue quickly and accurately. Whether you’re dealing with a faulty brake light or a malfunctioning starter, these diagrams can help you get your car back on the road in no time.
Not only are Haynes Manual Wiring Diagrams useful for repairs, but they can also be valuable for modifications and upgrades to your vehicle. Whether you’re installing a new stereo system, adding aftermarket lighting, or upgrading your engine’s performance, having a wiring diagram specific to your car can make the process much smoother. With detailed instructions and diagrams, you can ensure that your modifications are done correctly and safely.
In conclusion, Haynes Manual Wiring Diagrams are an invaluable resource for anyone working on their own vehicle. Whether you’re a beginner or an experienced mechanic, having access to accurate wiring diagrams can make a world of difference when it comes to diagnosing and repairing electrical issues. With clear and detailed diagrams, Haynes Manuals make it easy to understand the complex wiring systems in modern cars, helping you keep your vehicle running smoothly.

