Skip to content

Mack Truck Wiring Diagram

  • by

Mack Truck Wiring Diagram – Understand Your Electrical System Better with a Clear WiringDiagram

Mack Truck Wiring Diagrams Diesel RepairMack Truck Wiring Diagram

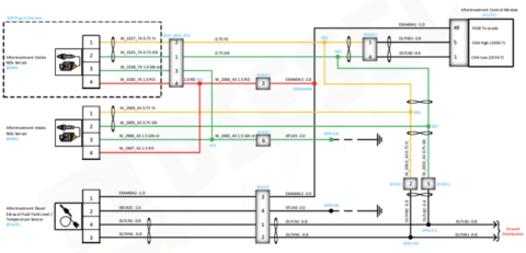
When it comes to maintaining and repairing your Mack truck, having a reliable wiring diagram is essential. A wiring diagram is a detailed schematic that shows the electrical connections and layout of an electrical system or circuit. It provides a roadmap for troubleshooting issues and ensuring that all electrical components are connected correctly.

Without a proper wiring diagram, identifying faulty wires or connections can be a daunting task. It can lead to costly repairs and downtime for your truck. Having access to a Mack truck wiring diagram can save you time, money, and frustration when dealing with electrical issues.

Whether you’re involved in a home improvement project or maintaining your vehicle, having a clear and accurate electrical schematic is important. It helps you see how electrical components are linked and ensures a safe, smooth setup.

Whether you’re a small business owner, payroll manager, or independent contractor, using aprintable payroll template helps ensure compliance with regulations. Simply get the template, produce a hard copy, and fill it out by hand or type directly into the file before printing.

A electrical schematic visually represents electrical circuits, showing the flow of electricity and how different components like switches, outlets, protective devices, and connectors work together. This makes it easier to troubleshoot issues, enhance systems, or install new systems without guesswork.

Mack Truck Wiring Diagram

Many resources offer no-cost or editable wiring diagram templates for vehicles, household electronics, lighting systems, and more. These diagrams are particularly helpful for DIY enthusiasts, electricians, and engineers who need clear references.

By using a proper wiringdiagram, you reduce the risk of errors, increase efficiency, and ensure all circuit modifications is in compliance. Don’t start your next project blindly—search for a professional Mack Truck Wiring Diagram and design with clarity today!

Quickly Access and Print Mack Truck Wiring Diagram

Mack Truck Engine Diagram Wiring Diagram Schemas My XXX Hot GirlMack Truck Engine Diagram Wiring Diagram Schemas My XXX Hot Girl

 DIAGRAM Manual Mack Truck Wiring Diagram MYDIAGRAM ONLINEDIAGRAM Manual Mack Truck Wiring Diagram MYDIAGRAM ONLINE

Mack Truck Fuse Box Diagram Mack Fuse Box Diagram Wiring Diagram Mack Truck Fuse Box Diagram Mack Fuse Box Diagram Wiring Diagram

Mack Wiring Diagram Symbols Wiring Diagram And SchematicMack Wiring Diagram Symbols Wiring Diagram And Schematic

Mack Truck Wiring Diagrams Wiring DiagramMack Truck Wiring Diagrams Wiring Diagram

Mack Truck Wiring Diagram

A Mack truck wiring diagram is a comprehensive guide that illustrates the electrical system of your truck. It shows the location of each wire, the color-coding, and the connection points for various components such as lights, sensors, and switches. With this information, you can easily trace and diagnose electrical problems within your Mack truck.

Whether you are a professional mechanic or a truck owner who likes to do their maintenance, having a Mack truck wiring diagram is invaluable. It allows you to understand how the electrical system works and make informed decisions when troubleshooting or making repairs. It can also help you identify potential upgrades or modifications to enhance the performance of your Mack truck.

By following the wiring diagram, you can ensure that all electrical connections are secure and functioning correctly. This can prevent issues such as short circuits, blown fuses, or malfunctioning components. Regularly referencing the wiring diagram can help you maintain the electrical system of your Mack truck in top condition.

In conclusion, a Mack truck wiring diagram is a crucial tool for anyone working on or maintaining a Mack truck. It provides a detailed overview of the electrical system, helping you troubleshoot issues and make necessary repairs efficiently. By utilizing this resource, you can ensure the reliability and performance of your Mack truck for years to come.