Skip to content

Mercedes Wiring Diagram

  • by

Mercedes Wiring Diagram – Master Your Wiring Setup Better with a Accurate Wiring Diagram

Mercedes Benz Slk 230 Wiring Diagram Wiring DiagramMercedes Wiring Diagram

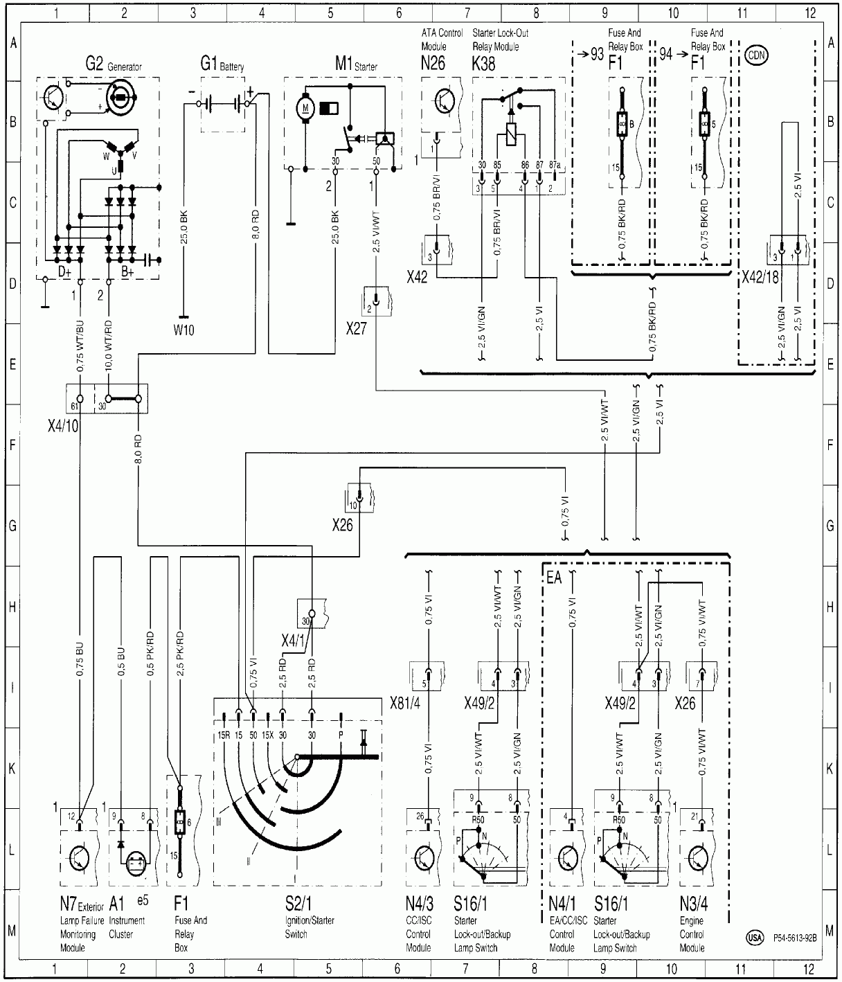
Mercedes-Benz is a renowned luxury car brand known for its cutting-edge technology and exceptional performance. One crucial aspect of maintaining a Mercedes vehicle is understanding its wiring system. A wiring diagram is a visual representation of the electrical connections within a Mercedes vehicle, providing valuable insights for troubleshooting and repairs.

Whether you are a seasoned mechanic or a Mercedes enthusiast looking to delve into the world of car maintenance, understanding the intricacies of a Mercedes wiring diagram can be a game-changer. It can help you identify faulty connections, locate components, and ensure that your vehicle is operating at its optimal performance.

Whether you’re involved in a house renovation or maintaining your automobile, having a well-drawn and reliable wiring diagrams is important. It helps you visualize how circuit elements are connected and ensures a risk-free, smooth setup.

Whether you’re a small business owner, payroll manager, or sole proprietor, using apayroll printable helps ensure compliance with regulations. Simply get the template, produce a hard copy, and fill it out by hand or edit it digitally before printing.

A wiringdiagram visually represents wiring systems, showing the direction of power and how different components like switches, outlets, protective devices, and terminals interact. This makes it easier to spot errors, enhance systems, or set up circuits without guesswork.

Mercedes Wiring Diagram

Many online platforms offer no-cost or customizable wiring diagram templates for automobiles, home appliances, lighting systems, and more. These diagrams are particularly helpful for hobbyists, electricians, and builders who need clear references.

By using a proper wiringdiagram, you minimize mistakes, increase efficiency, and ensure all circuit modifications is up to code. Don’t start your next electrical task blindly—search for a professional wiringdiagram and build safely today!

Save and Print Mercedes Wiring Diagram

Mercedes Benz Slk 230 Wiring Diagram Wiring DiagramMercedes Benz Slk 230 Wiring Diagram Wiring Diagram

Mercedes Wiring Diagram Color Codes Wiring DiagramMercedes Wiring Diagram Color Codes Wiring Diagram

Mercedes Benz Slk 230 Wiring Diagram Wiring DiagramMercedes Benz Slk 230 Wiring Diagram Wiring Diagram

Mercedes Wiring Diagram Color CodesMercedes Wiring Diagram Color Codes

Electrical Wiring Diagram Mercedes Benz 300E Best Wiring Library Electrical Wiring Diagram Mercedes Benz 300E Best Wiring Library

Mercedes Wiring Diagram

Mercedes wiring diagrams typically consist of symbols and lines that represent the various electrical components and their connections within a Mercedes vehicle. These diagrams are essential tools for diagnosing electrical issues, installing aftermarket accessories, or simply understanding the complex wiring system of a Mercedes car.

By studying a Mercedes wiring diagram, you can gain a deeper insight into how the electrical system functions in your vehicle. You can trace the path of wires, identify fuse locations, and troubleshoot any electrical problems effectively. This knowledge can save you time and money by enabling you to make informed decisions when it comes to repairs and maintenance.

Whether you own a vintage Mercedes model or a brand-new luxury vehicle, having access to a wiring diagram can be invaluable. It can help you navigate the intricate network of wires and connectors in your car, ensuring that you can address any electrical issues with confidence and precision.

In conclusion, a Mercedes wiring diagram is a powerful tool that can empower you to take control of your vehicle’s electrical system. By understanding the connections and components within your Mercedes car, you can troubleshoot issues, perform repairs, and enhance the overall performance of your vehicle. So, next time you are faced with an electrical problem in your Mercedes, remember to consult a wiring diagram for guidance.