Mitchell Wiring Diagram – Understand Your Electrical System Better with a Clear WiringDiagram
When it comes to automotive repairs, having access to accurate wiring diagrams is crucial. This is where Mitchell Wiring Diagram comes into play, providing technicians with detailed schematics of a vehicle’s electrical system. With these diagrams, technicians can quickly diagnose and fix electrical issues, saving time and ensuring the job is done right the first time.
Whether you are working on a simple repair or a complex electrical issue, having a reliable wiring diagram can make all the difference. Mitchell Wiring Diagram is known for its accuracy and ease of use, making it a popular choice among automotive professionals.
Whether you’re working on a house renovation or fixing your vehicle, having a easy-to-read electrical schematic is essential. It helps you see how circuit elements are wired and ensures a safe, organized setup.
Whether you’re a small business owner, payroll manager, or independent contractor, using aprintable payroll helps ensure proper documentation. Simply download the template, produce a hard copy, and complete it by hand or edit it digitally before printing.
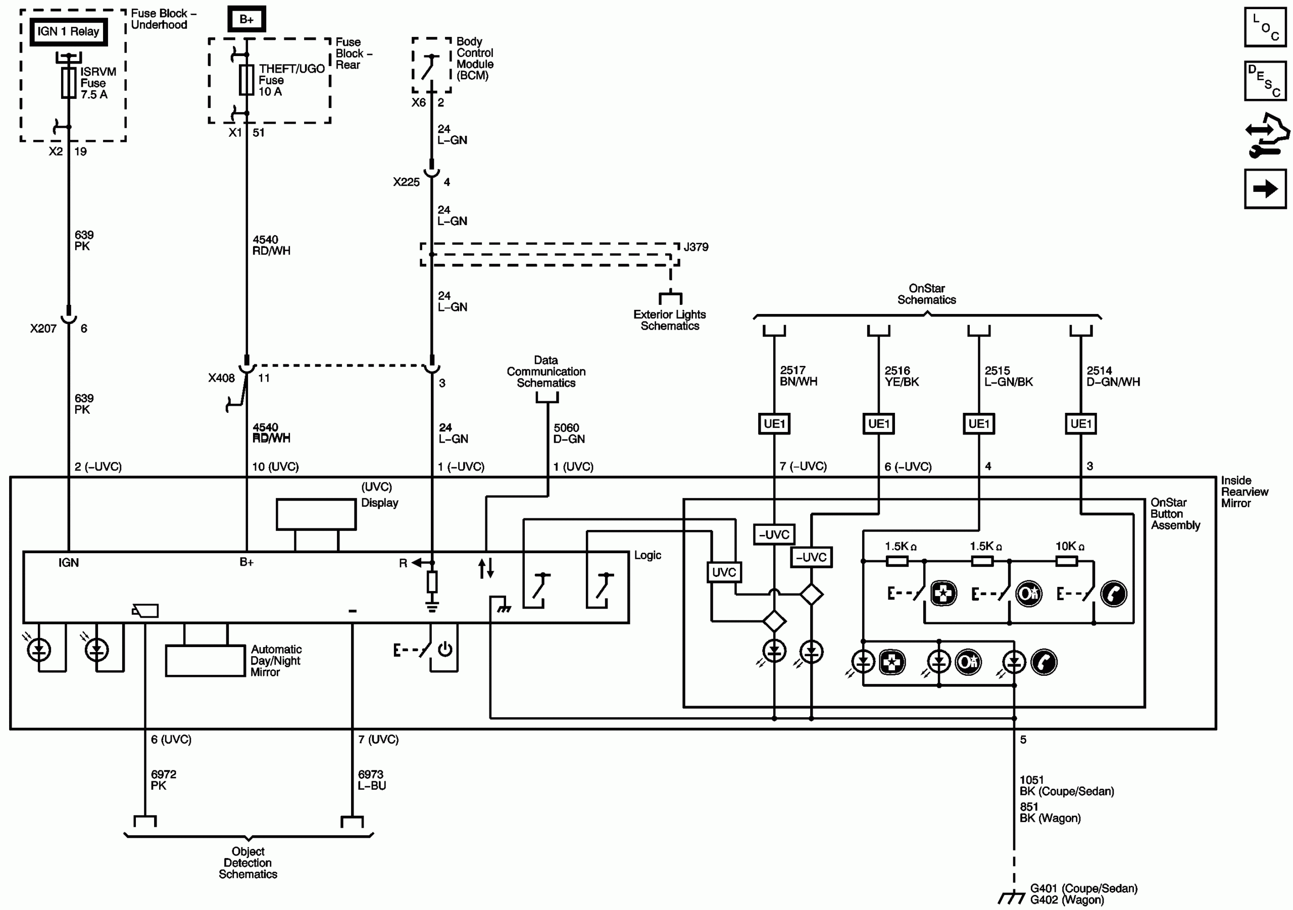
A wiring diagram visually represents electrical circuits, showing the direction of power and how different components like controls, plugs, fuses, and terminals are linked. This makes it easier to troubleshoot issues, improve installations, or install new systems without confusion.
Mitchell Wiring Diagram
Many resources offer free or customizable wiring diagram templates for vehicles, household electronics, LED setups, and more. These diagrams are particularly helpful for hobbyists, electricians, and builders who need clear references.
By using a proper electrical Schematic, you minimize mistakes, cut down time, and ensure all electrical work is done correctly. Don’t start your next repair blindly—search for a professional Mitchell Wiring Diagram and build safely today!
Download and Print Mitchell Wiring Diagram
Mitchell Wiring Diagram For Cadillac 2013 Cts
Mitchell Wiring Diagram For Cadillac 2013 Cts
Mitchell Wiring Diagrams Wiring Diagram
Mitchell Wiring Diagram Mitchell Diy Wiring Diagrams Wiring Diagram
Mitchell Wiring Diagram Mitchell Diy Wiring Diagrams Wiring Diagram
Mitchell Wiring Diagram
With Mitchell Wiring Diagram, technicians can easily locate wiring harnesses, connectors, and components within a vehicle’s electrical system. This allows for faster troubleshooting and repair, ultimately saving time and money for both the technician and the vehicle owner.
In addition to providing detailed diagrams, Mitchell Wiring Diagram also offers valuable information such as wiring colors, wire gauge, and component locations. This level of detail ensures that technicians have everything they need to successfully diagnose and repair electrical issues.
Another benefit of using Mitchell Wiring Diagram is the ability to access the diagrams online, allowing technicians to work on vehicles from anywhere with an internet connection. This flexibility is especially useful for mobile technicians or those working in busy automotive shops.
Overall, Mitchell Wiring Diagram is a valuable tool for any automotive technician looking to efficiently diagnose and repair electrical issues. With its accurate diagrams and user-friendly interface, technicians can trust that they have the resources needed to get the job done right the first time.
In conclusion, having access to reliable wiring diagrams is essential for successful automotive repairs. Mitchell Wiring Diagram provides technicians with the detailed schematics they need to quickly and accurately diagnose and repair electrical issues. By utilizing this valuable tool, technicians can save time, money, and ensure that the job is done right.
