Skip to content

Mopar Wiring Diagram

  • by

Mopar Wiring Diagram – Master Your Circuit Design Better with a Detailed Wiring Diagram

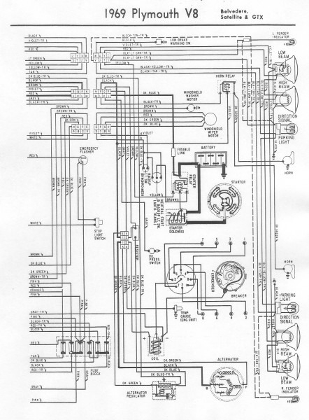
1969 Mopar Wiring Diagram Wiring DiagramMopar Wiring Diagram

When it comes to working on your Mopar vehicle, having a reliable wiring diagram is essential. Whether you’re troubleshooting an electrical issue or installing new components, having a clear and accurate diagram can save you time and frustration. Mopar wiring diagrams provide detailed information on the electrical system of your vehicle, helping you understand how everything is connected and ensuring that you make the right connections.

One of the key benefits of using a Mopar wiring diagram is that it is specifically designed for your vehicle’s make and model. This means that you can trust the accuracy of the information provided, making it easier to diagnose and fix any electrical problems. Whether you’re a seasoned mechanic or a DIY enthusiast, having access to a reliable wiring diagram can make all the difference in getting the job done right.

Whether you’re working on a home improvement project or maintaining your car, having a clear and accurate wiring diagram is important. It helps you understand how circuit elements are linked and ensures a risk-free, smooth setup.

Whether you’re a startup founder, administrator, or independent contractor, using aprintable payroll form helps ensure accurate record-keeping. Simply download the template, print it, and fill it out by hand or edit it digitally before printing.

A wiring diagram visually represents wiring systems, showing the paths for current flow and how different modules like switches, outlets, fuses, and connectors are linked. This makes it easier to troubleshoot issues, make upgrades, or install new systems without trial and error.

Mopar Wiring Diagram

Many resources offer no-cost or customizable wiring diagrams templates for vehicles, home appliances, lighting systems, and more. These diagrams are particularly valuable for DIY enthusiasts, electricians, and builders who need clear references.

By using a proper electrical Schematic, you minimize mistakes, increase efficiency, and ensure all projects is up to code. Don’t start your next electrical task blindly—search for a trusted wiring diagrams and work with confidence today!

Quickly Access and Print Mopar Wiring Diagram

1969 Mopar Wiring Diagram Wiring Diagram1969 Mopar Wiring Diagram Wiring Diagram

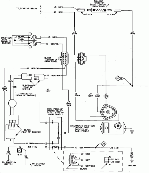
Mopar Alternator Wiring DiagramMopar Alternator Wiring Diagram

Mopar Wiring DiagramMopar Wiring Diagram

Mopar Wiring DiagramMopar Wiring Diagram

Mopar Wiring Diagram Collection Wiring Diagram SampleMopar Wiring Diagram Collection Wiring Diagram Sample

Another advantage of Mopar wiring diagrams is that they often include detailed illustrations and color-coding, making it easier to follow the wiring paths and connections. This can be especially helpful when working on complex electrical systems or when dealing with multiple components. With a Mopar wiring diagram in hand, you can confidently tackle any wiring project with ease.

Furthermore, Mopar wiring diagrams are typically organized in a logical and easy-to-follow format, making it simple to navigate through different sections and find the information you need quickly. This can save you valuable time during the troubleshooting process and help you avoid making costly mistakes. Whether you’re looking to upgrade your vehicle’s electrical system or simply need to fix a faulty connection, a Mopar wiring diagram is an invaluable tool to have on hand.

In conclusion, having a reliable Mopar wiring diagram is essential for anyone working on their Mopar vehicle. With accurate information, detailed illustrations, and easy-to-follow formatting, these diagrams can help you troubleshoot electrical issues, install new components, and ensure that everything is connected properly. Whether you’re a seasoned mechanic or a DIY enthusiast, investing in a quality Mopar wiring diagram can make all the difference in maintaining and improving your vehicle’s electrical system.