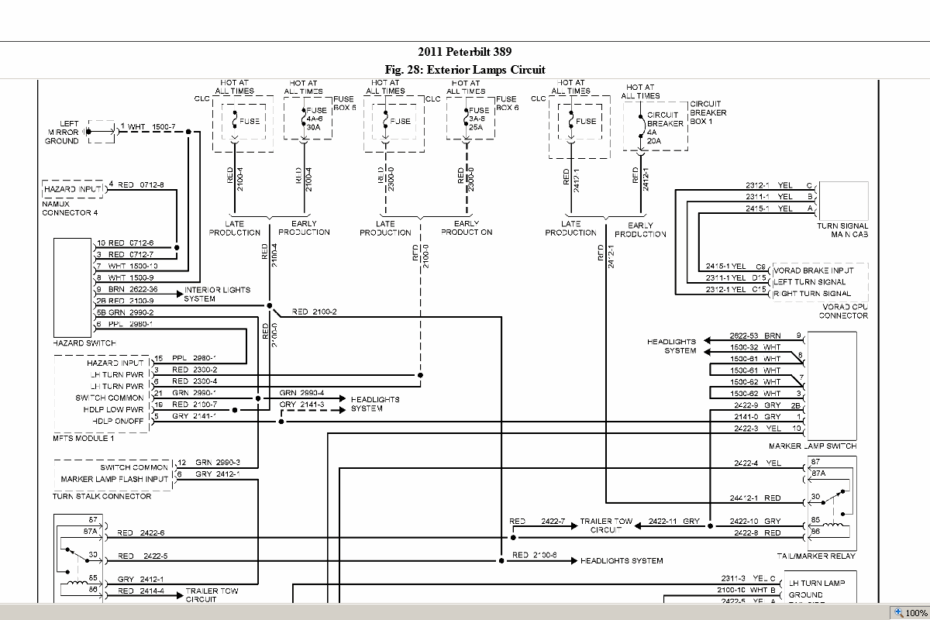
Peterbilt 389 Wiring Diagram
Peterbilt 389 Wiring Diagram – Understand Your Wiring Setup Better with a Clear Wiring Diagram Peterbilt 389 Wiring Diagram When it comes to owning a Peterbilt 389 truck, having a proper wiring diagram is essential… Peterbilt 389 Wiring Diagram








