Printable Free Ford Wiring Diagrams – Understand Your Circuit Design Better with a Detailed WiringDiagram
Printable Free Ford Wiring Diagrams
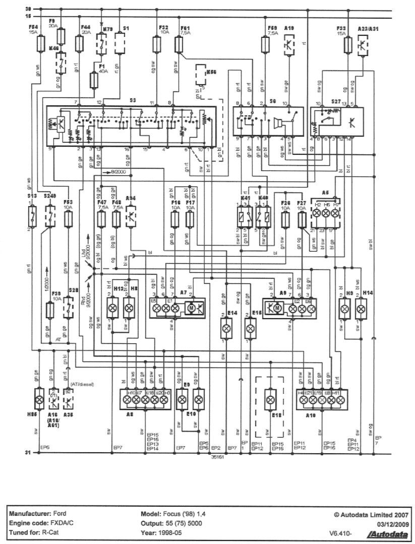
When it comes to working on your Ford vehicle, having access to accurate wiring diagrams is essential. These diagrams provide a visual representation of the electrical system in your vehicle, helping you to troubleshoot and repair any issues that may arise. However, finding reliable and free Ford wiring diagrams can sometimes be a challenge.
Fortunately, there are websites and resources that offer printable free Ford wiring diagrams for a wide range of Ford models. These diagrams are typically available in PDF format, making them easy to download, print, and use for your repair projects. Whether you’re a DIY enthusiast or a professional mechanic, having access to these diagrams can save you time and frustration when working on your Ford vehicle.
Whether you’re handling a home improvement project or maintaining your vehicle, having a clear and accurate wiringdiagram is essential. It helps you visualize how circuit elements are wired and ensures a safe, smooth setup.
Whether you’re a freelancer, administrator, or independent contractor, using apayroll template helps ensure proper documentation. Simply get the template, produce a hard copy, and fill it out by hand or edit it digitally before printing.
A wiring diagram visually represents electrical circuits, showing the paths for current flow and how different components like switches, outlets, protective devices, and connectors work together. This makes it easier to identify problems, make upgrades, or install new systems without guesswork.
Printable Free Ford Wiring Diagrams
Many resources offer complimentary or customizable wiringdiagram templates for cars, household electronics, LED setups, and more. These diagrams are particularly useful for DIY enthusiasts, technicians, and builders who need trustworthy references.
By using a proper wiring diagrams, you reduce the risk of errors, increase efficiency, and ensure all projects is done correctly. Don’t start your next electrical task blindly—search for a verified wiringdiagram and build safely today!
Quickly Access and Print Printable Free Ford Wiring Diagrams
Free Ford Wiring Diagrams For All Models Moo Wiring
Schematic Free Ford Wiring Diagrams
One of the benefits of using printable free Ford wiring diagrams is that they provide detailed information about the electrical system in your vehicle. You can easily identify the various components, connections, and wiring routes, helping you to pinpoint the source of any electrical issues. Whether you’re dealing with a faulty ignition system, a malfunctioning stereo, or a broken power window, having access to these diagrams can make the repair process much smoother and more efficient.
Additionally, printable free Ford wiring diagrams can also be a valuable resource for learning about the electrical system in your vehicle. By studying these diagrams, you can gain a better understanding of how the various components work together to power your vehicle’s electrical systems. This knowledge can be useful for troubleshooting issues, performing upgrades or modifications, or simply increasing your overall automotive knowledge.
In conclusion, having access to printable free Ford wiring diagrams can be a valuable resource for anyone working on their Ford vehicle. Whether you’re a seasoned mechanic or a novice DIY enthusiast, these diagrams can help you to troubleshoot, repair, and understand the electrical system in your vehicle. With the convenience of being able to download and print these diagrams for free, there’s no reason not to take advantage of this valuable resource for all your Ford wiring needs.


