Simple Wiring Diagrams – Learn About Your Electrical System Better with a Clear Wiring Diagram
Wiring diagrams are essential tools for anyone working with electrical systems. They provide a visual representation of how the electrical components are connected and help troubleshoot any issues that may arise. While some wiring diagrams can be complex and difficult to understand, simple wiring diagrams are straightforward and easy to follow.
Simple wiring diagrams are perfect for beginners or those who are not familiar with electrical systems. They break down the connections in a clear and concise manner, making it easy to identify the components and their relationships to each other. Whether you’re working on a small DIY project or a larger electrical installation, simple wiring diagrams can be a lifesaver.
Whether you’re handling a home improvement project or fixing your car, having a easy-to-read electrical schematic is important. It helps you see how circuit elements are linked and ensures a secure, smooth setup.
Whether you’re a startup founder, payroll manager, or independent contractor, using aSimple Wiring Diagrams helps ensure compliance with regulations. Simply get the template, print it, and complete it by hand or edit it digitally before printing.
A wiringdiagram visually represents current paths, showing the paths for current flow and how different modules like controls, outlets, fuses, and connectors are linked. This makes it easier to spot errors, enhance systems, or set up circuits without confusion.
Simple Wiring Diagrams
Many online platforms offer free or editable wiringdiagram templates for cars, home appliances, LED setups, and more. These diagrams are particularly helpful for DIY enthusiasts, electricians, and builders who need reliable references.
By using a proper Simple Wiring Diagrams, you reduce the risk of errors, cut down time, and ensure all electrical work is done correctly. Don’t start your next electrical task blindly—search for a trusted wiring diagram and build safely today!
Easily Download and Print Simple Wiring Diagrams
DIAGRAM Simple Electrical Wiring Diagrams Basic Light Switch Diagram
Simple Wiring Diagrams
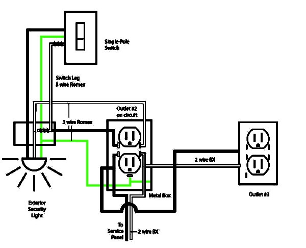
One of the key features of simple wiring diagrams is the use of basic symbols to represent different electrical components. For example, a line represents a wire, while a circle with a letter inside denotes a switch. These symbols make it easy to understand the connections between various components and follow the flow of electricity through the system.
In addition to symbols, simple wiring diagrams also use color-coding to differentiate between different wires and components. This makes it easier to identify which wires are connected to which components and ensures that the connections are made correctly. Color-coding can also help troubleshoot any issues that may arise, as it allows you to quickly identify where a problem may be occurring.
Another feature of simple wiring diagrams is the use of clear labels and annotations. Each component is labeled with a description of its function, making it easy to understand the purpose of each part. This can be especially helpful for beginners who may not be familiar with all the electrical components and their roles in a system.
Overall, simple wiring diagrams are essential tools for anyone working with electrical systems. They provide a clear and easy-to-follow representation of the connections between components, making it easier to troubleshoot issues and ensure that the system is functioning correctly. Whether you’re a beginner or an experienced electrician, simple wiring diagrams can help make your job easier and more efficient.
In conclusion, simple wiring diagrams are invaluable tools for anyone working with electrical systems. They provide a visual representation of the connections between components, making it easy to understand the system and troubleshoot any issues that may arise. Whether you’re working on a small project or a larger installation, simple wiring diagrams can save you time and frustration. So next time you’re working with electrical systems, be sure to use a simple wiring diagram to guide you through the process.




