Subaru Wiring Diagrams – Learn About Your Electrical System Better with a Clear Electrical Schematic
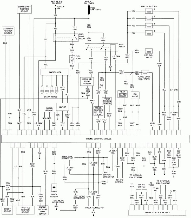
Subaru wiring diagrams are essential tools for anyone working on the electrical system of a Subaru vehicle. These diagrams provide detailed information on the wiring connections, colors, and routing of wires in the vehicle, helping technicians troubleshoot and repair electrical issues effectively.
Whether you are a DIY enthusiast or a professional mechanic, having access to accurate Subaru wiring diagrams can save you time and frustration when working on your vehicle’s electrical system.
Whether you’re involved in a home improvement project or maintaining your car, having a well-drawn and reliable electrical schematic is important. It helps you visualize how circuit elements are wired and ensures a risk-free, organized setup.
Whether you’re a startup founder, payroll manager, or independent contractor, using aprintable payroll form helps ensure accurate record-keeping. Simply get the template, print it, and complete it by hand or type directly into the file before printing.
A wiring diagrams visually represents electrical circuits, showing the direction of power and how different parts like switches, outlets, protective devices, and terminals interact. This makes it easier to identify problems, enhance systems, or set up circuits without confusion.
Subaru Wiring Diagrams
Many resources offer free or customizable wiring diagrams templates for vehicles, household electronics, LED setups, and more. These diagrams are particularly valuable for hobbyists, electricians, and engineers who need reliable references.
By using a proper wiring diagrams, you avoid faults, save time, and ensure all electrical work is up to code. Don’t start your next project blindly—search for a trusted wiring diagram and build safely today!
Easily Download and Print Subaru Wiring Diagrams
Reading Wiring Diagrams On Subaru Cars
DIAGRAM 2006 Subaru Wrx Sti Ecu Pinout Diagrams WIRINGSCHEMA COM
Subaru Forester 2001 Diagrams Headlight Wiring Subaru Forest
DIAGRAM 2013 Subaru Wrx Console Wiring Diagrams MYDIAGRAM ONLINE
Benefits of Subaru Wiring Diagrams
1. Clear and Detailed Information: Subaru wiring diagrams provide clear and detailed information on the wiring connections, colors, and routing of wires in the vehicle, making it easier to identify and troubleshoot electrical issues.
2. Accurate Troubleshooting: With the help of wiring diagrams, technicians can accurately diagnose and repair electrical problems in Subaru vehicles, ensuring a reliable and safe driving experience for the vehicle owner.
3. Time and Cost Savings: By using Subaru wiring diagrams, technicians can quickly identify and resolve electrical issues, saving time and reducing the cost of repairs for the vehicle owner.
4. Compatibility: Subaru wiring diagrams are designed specifically for Subaru vehicles, ensuring compatibility and accuracy in diagnosing and repairing electrical problems in these vehicles.
5. Easy Access: Many online resources provide access to Subaru wiring diagrams, making it convenient for technicians and DIY enthusiasts to access the information they need to work on their Subaru vehicles.
In conclusion, Subaru wiring diagrams are invaluable tools for anyone working on the electrical system of a Subaru vehicle. By providing clear and detailed information, accurate troubleshooting, time and cost savings, compatibility, and easy access, these diagrams make it easier to diagnose and repair electrical issues in Subaru vehicles effectively.

