Skip to content

Thermostat Wiring Diagram

  • by

Thermostat Wiring Diagram – Understand Your Circuit Design Better with a Accurate Wiring Diagram

Coleman Mach Thermostat Wiring Diagram 3 Analog ModelsThermostat Wiring Diagram

When it comes to installing or replacing a thermostat, having a clear understanding of the wiring diagram is crucial. The thermostat wiring diagram provides a guide on how to properly connect the thermostat to the heating and cooling system in your home. By following the diagram correctly, you can ensure that your thermostat functions efficiently and effectively.

Understanding the thermostat wiring diagram is essential for anyone attempting to install or replace a thermostat. It outlines the connections between the thermostat, heating/cooling system, and power source, ensuring that everything is wired correctly. Without a proper understanding of the wiring diagram, you may risk damaging your thermostat or HVAC system.

Whether you’re involved in a house renovation or repairing your automobile, having a easy-to-read Thermostat Wiring Diagram is essential. It helps you understand how wires and parts are wired and ensures a safe, efficient setup.

Whether you’re a startup founder, HR professional, or sole proprietor, using apayroll printable helps ensure accurate record-keeping. Simply access the template, print it, and fill it out by hand or edit it digitally before printing.

A wiring diagrams visually represents wiring systems, showing the direction of power and how different modules like controls, outlets, fuses, and connectors work together. This makes it easier to troubleshoot issues, enhance systems, or install new systems without confusion.

Thermostat Wiring Diagram

Many resources offer no-cost or editable wiring diagram templates for automobiles, home appliances, lighting systems, and more. These diagrams are particularly useful for DIY enthusiasts, electricians, and engineers who need trustworthy references.

By using a proper Thermostat Wiring Diagram, you minimize mistakes, save time, and ensure all electrical work is in compliance. Don’t start your next repair blindly—search for a professional electrical Schematic and design with clarity today!

Quickly Access and Print Thermostat Wiring Diagram

Dart Wiring Carrier Ac Thermostat Wiring DiagramDart Wiring Carrier Ac Thermostat Wiring Diagram

Honeywell Wifi Thermostat Wiring Diagram Cadician 39 s BlogHoneywell Wifi Thermostat Wiring Diagram Cadician 39 S Blog

Boiler Thermostat Wiring Diagram Database Wiring CollectionBoiler Thermostat Wiring Diagram Database Wiring Collection

Apcom Wh10a Thermostat Wiring DiagramApcom Wh10a Thermostat Wiring Diagram

Thermostat Wiring Honeywell Thermostat Wiring Honeywell Diagram Wire Thermostat Wiring Honeywell Thermostat Wiring Honeywell Diagram Wire

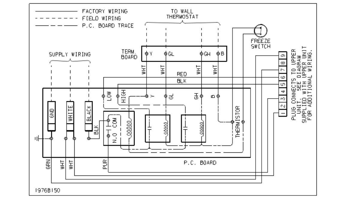
There are several different types of thermostat wiring diagrams, depending on the type of thermostat you have and the system it is connected to. It is important to refer to the specific diagram that corresponds to your thermostat model and heating/cooling system. Most diagrams will include labels for each wire, indicating where it should be connected.

Typically, thermostat wiring diagrams will include wires labeled R, W, Y, G, and C. The R wire is the power wire, the W wire is for heating, the Y wire is for cooling, the G wire is for the fan, and the C wire is the common wire. By connecting these wires according to the diagram, you can ensure that your thermostat operates correctly.

It is important to note that some thermostats may require additional wires or have different labeling conventions. In these cases, it is crucial to consult the manufacturer’s instructions or seek professional assistance to ensure the wiring is done correctly. Incorrect wiring can lead to malfunctions or even damage to your HVAC system.

In conclusion, understanding the thermostat wiring diagram is essential for proper installation and operation of your thermostat. By following the diagram specific to your thermostat model and system, you can ensure that everything is connected correctly and avoid any potential issues. If you are unsure about the wiring or have any questions, it is always best to seek professional help to avoid any complications.