Skip to content

Toyota Wiring Diagram

  • by

Toyota Wiring Diagram – Understand Your Electrical System Better with a Clear WiringDiagram

1999 Toyota Corolla Wiring DiagramToyota Wiring Diagram

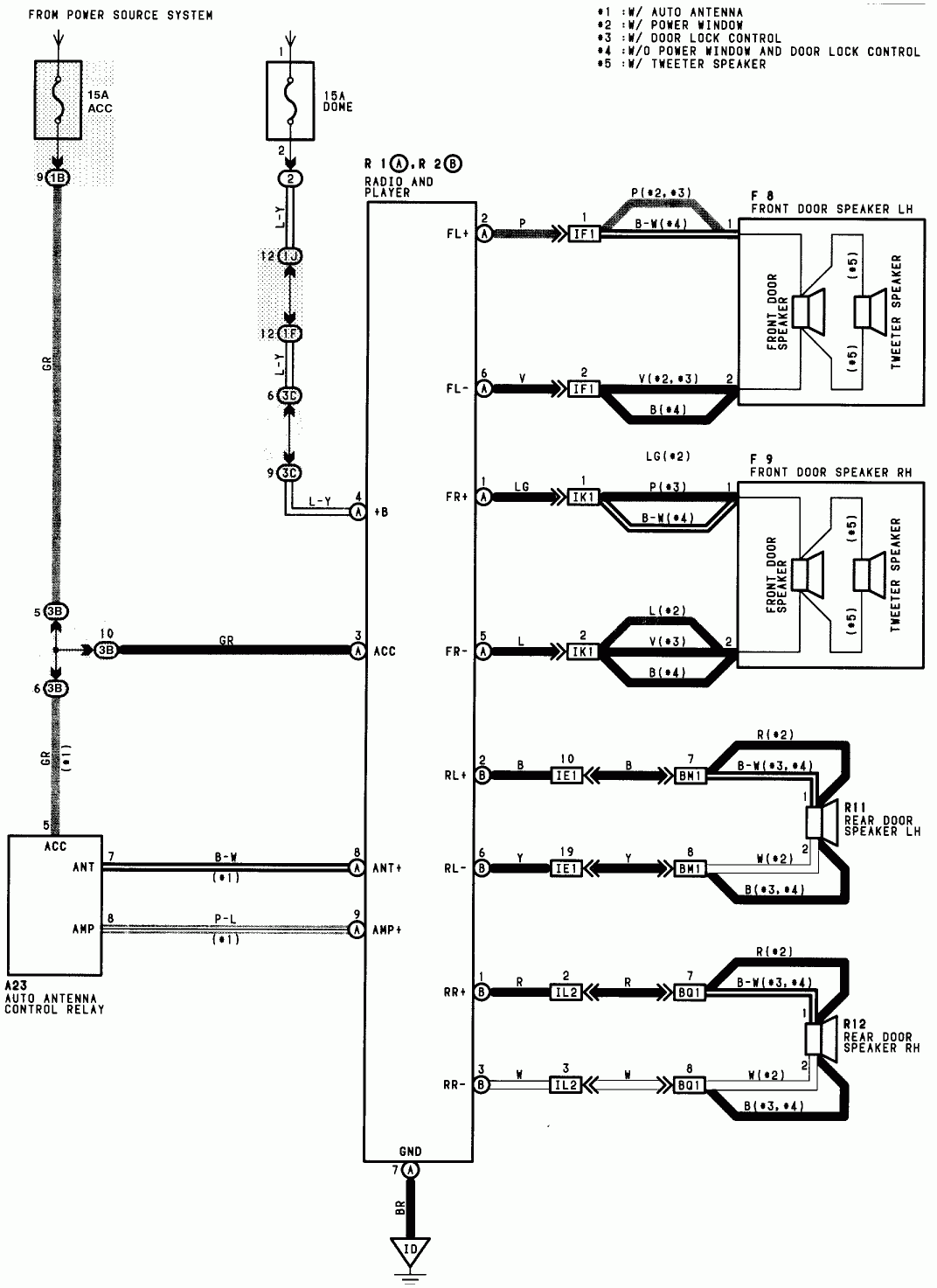
Toyota wiring diagrams are essential tools for anyone working on their Toyota vehicle. These diagrams provide detailed information on the electrical system of the vehicle, including the wiring connections, components, and their functions. Having access to a wiring diagram can help you troubleshoot electrical issues, identify faulty components, and make necessary repairs.

Whether you are a DIY enthusiast or a professional mechanic, having a reliable wiring diagram can save you time and prevent costly mistakes. With the complexity of modern vehicles, having accurate wiring information is crucial for ensuring the proper functioning of the electrical system.

Whether you’re involved in a house renovation or fixing your car, having a well-drawn and reliable wiring diagram is important. It helps you see how electrical components are connected and ensures a safe, smooth setup.

Whether you’re a freelancer, payroll manager, or sole proprietor, using aprintable payroll template helps ensure compliance with regulations. Simply get the template, print it, and fill it out by hand or type directly into the file before printing.

A wiring diagrams visually represents electrical circuits, showing the paths for current flow and how different modules like switches, outlets, protective devices, and connectors interact. This makes it easier to identify problems, improve installations, or set up circuits without guesswork.

Toyota Wiring Diagram

Many online platforms offer no-cost or tailored Toyota Wiring Diagram templates for cars, household electronics, lighting systems, and more. These diagrams are particularly helpful for DIY enthusiasts, technicians, and engineers who need trustworthy references.

By using a proper electrical Schematic, you avoid faults, increase efficiency, and ensure all projects is in compliance. Don’t start your next electrical task blindly—search for a verified wiring diagrams and work with confidence today!

Save and Print Toyota Wiring Diagram

 DIAGRAM Diagram Wiring Machine Toyota MYDIAGRAM ONLINEDIAGRAM Diagram Wiring Machine Toyota MYDIAGRAM ONLINE

 DIAGRAM Wiring Diagram Toyota Hilux MYDIAGRAM ONLINEDIAGRAM Wiring Diagram Toyota Hilux MYDIAGRAM ONLINE

1988 Toyota Pickup Wiring Schematic Wiring Diagram1988 Toyota Pickup Wiring Schematic Wiring Diagram

Toyota 86120 Wiring DiagramToyota 86120 Wiring Diagram

Toyota 86120 Wiring DiagramToyota 86120 Wiring Diagram

Toyota Wiring Diagram

Toyota wiring diagrams are typically organized by system, such as the engine control system, lighting system, or audio system. Each diagram includes detailed illustrations of the wiring connections, color codes, and component locations. By following the diagram, you can easily trace the wiring and locate any issues that may be causing electrical problems.

In addition to troubleshooting electrical issues, Toyota wiring diagrams can also be used for vehicle modifications or upgrades. Whether you are installing a new stereo system, adding aftermarket lighting, or upgrading the engine control unit, having access to a wiring diagram can help you make the necessary connections safely and efficiently.

When using a Toyota wiring diagram, it is important to ensure that you are using the correct diagram for your specific vehicle model and year. Wiring diagrams can vary between different Toyota models, so it is crucial to consult the appropriate diagram to avoid any confusion or errors.

Overall, Toyota wiring diagrams are valuable resources for anyone working on their Toyota vehicle. Whether you are troubleshooting electrical issues, making repairs, or performing upgrades, having access to detailed wiring information can make the process much easier and more efficient. By following the wiring diagram carefully, you can ensure the proper functioning of your vehicle’s electrical system.

Make sure to refer to Toyota wiring diagrams whenever you encounter electrical issues or need to make modifications to your vehicle. With the right information at your fingertips, you can confidently tackle any electrical project and keep your Toyota running smoothly.