Toyota Wiring Diagrams – Master Your Electrical System Better with a Accurate WiringDiagram
When it comes to troubleshooting electrical issues in your Toyota vehicle, having access to accurate wiring diagrams is essential. These diagrams provide detailed information on the wiring and electrical components in your Toyota, making it easier to identify and fix any problems that may arise.
Whether you are a DIY enthusiast or a professional mechanic, having access to Toyota wiring diagrams can save you time and money by helping you pinpoint the root cause of electrical issues in your vehicle.
Whether you’re involved in a DIY home upgrade or maintaining your automobile, having a well-drawn and reliable wiringdiagram is crucial. It helps you see how electrical components are wired and ensures a risk-free, smooth setup.
Whether you’re a freelancer, administrator, or independent contractor, using aprintable payroll template helps ensure accurate record-keeping. Simply get the template, print it, and complete it by hand or edit it digitally before printing.
A wiringdiagram visually represents wiring systems, showing the direction of power and how different modules like switches, outlets, protective devices, and terminals are linked. This makes it easier to troubleshoot issues, enhance systems, or set up circuits without guesswork.
Toyota Wiring Diagrams
Many resources offer complimentary or editable Toyota Wiring Diagrams templates for automobiles, home appliances, lighting systems, and more. These diagrams are particularly helpful for DIY enthusiasts, electricians, and builders who need clear references.
By using a proper wiring diagrams, you reduce the risk of errors, save time, and ensure all projects is done correctly. Don’t start your next electrical task blindly—search for a verified wiring diagrams and work with confidence today!
Easily Download and Print Toyota Wiring Diagrams
DIAGRAM 2001 Toyota Corolla Wiring Diagrams MYDIAGRAM ONLINE
Toyota Electrical Wiring Diagrams Vrogue Co
The Ultimate Guide To Downloading Toyota Wiring Diagrams For Easy Car
Wiring Diagrams Toyota Tacoma Truck Starting System
Toyota Wiring Diagrams
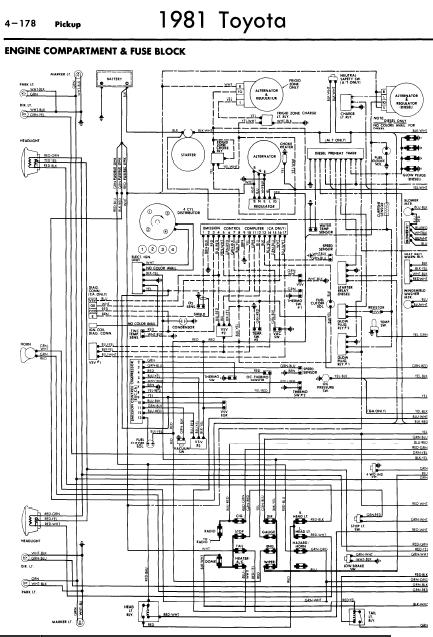
Toyota wiring diagrams are typically organized by system, making it easy to locate the specific diagram you need for your vehicle. These diagrams include detailed information on the wiring connections, color codes, and component locations, making it easier to diagnose and repair electrical problems.
With Toyota wiring diagrams, you can easily trace the path of electrical signals through your vehicle’s various systems, helping you identify faulty connections, damaged wires, or malfunctioning components. This can save you time and frustration by providing a clear roadmap for troubleshooting and repair.
Whether you are dealing with a simple electrical issue such as a blown fuse or a more complex problem involving multiple components, having access to accurate Toyota wiring diagrams can help you get your vehicle back on the road quickly and safely.
Overall, Toyota wiring diagrams are an invaluable resource for anyone working on electrical systems in Toyota vehicles. By providing detailed information on wiring connections and component locations, these diagrams make it easier to diagnose and repair electrical problems, saving time and money in the process.
Next time you encounter an electrical issue in your Toyota vehicle, be sure to consult the appropriate wiring diagram to help guide you through the troubleshooting and repair process.
In conclusion, having access to accurate Toyota wiring diagrams is essential for anyone working on electrical systems in Toyota vehicles. These diagrams provide detailed information on wiring connections and component locations, making it easier to diagnose and repair electrical problems. By utilizing Toyota wiring diagrams, you can save time and money while ensuring your vehicle is running smoothly and safely.

