Truck Wiring Diagram – Learn About Your Electrical System Better with a Clear Truck Wiring Diagram
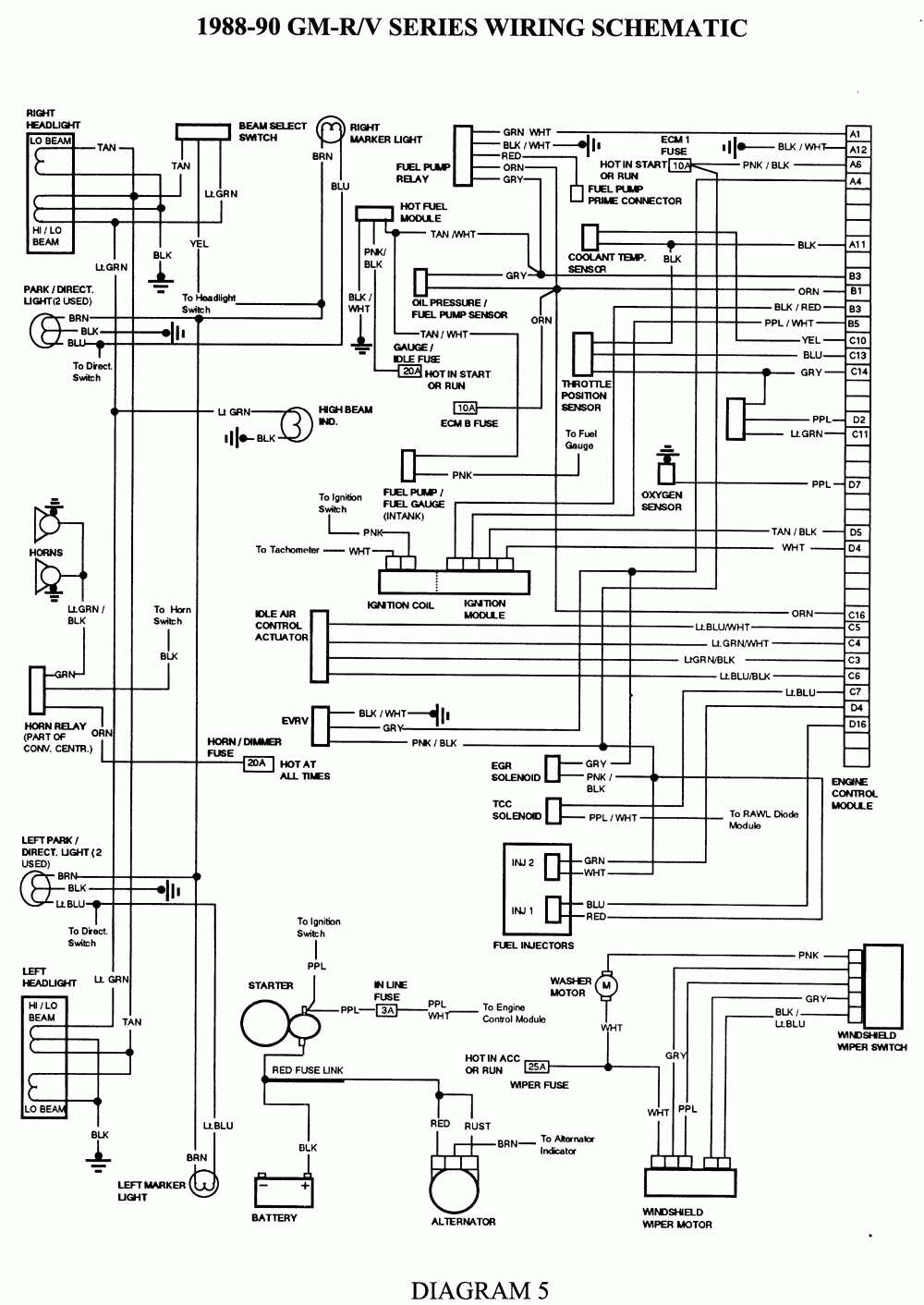
Truck wiring diagrams are essential tools for troubleshooting and repairing electrical issues in commercial vehicles. These diagrams provide detailed information about the electrical system of a truck, including the wiring connections, components, and circuits. By referring to a truck wiring diagram, mechanics and technicians can easily identify faulty wires, fuses, or relays and make the necessary repairs.
Understanding the wiring diagram of a truck is crucial for ensuring the proper functioning of various electrical components, such as the engine, lights, brakes, and audio system. It helps in diagnosing problems quickly and accurately, saving time and money on repairs. Additionally, having a clear understanding of the wiring layout can prevent mistakes during installation or maintenance tasks.
Whether you’re handling a house renovation or fixing your car, having a easy-to-read electrical schematic is crucial. It helps you visualize how wires and parts are wired and ensures a secure, smooth setup.
Whether you’re a freelancer, payroll manager, or sole proprietor, using aprintable payroll form helps ensure accurate record-keeping. Simply access the template, produce a hard copy, and fill it out by hand or type directly into the file before printing.
A electrical schematic visually represents current paths, showing the paths for current flow and how different parts like switches, plugs, protective devices, and connectors work together. This makes it easier to spot errors, make upgrades, or install new systems without confusion.
Truck Wiring Diagram
Many online platforms offer free or tailored wiringdiagram templates for vehicles, household electronics, LED setups, and more. These diagrams are particularly valuable for DIY enthusiasts, electricians, and builders who need clear references.
By using a proper wiringdiagram, you minimize mistakes, increase efficiency, and ensure all circuit modifications is in compliance. Don’t start your next electrical task blindly—search for a trusted wiring diagram and design with clarity today!
Download and Print Truck Wiring Diagram
Wiring Diagram For 1987 Chevy Truck Wiring Diagram
73 87 Chevy Truck Wiring Diagram Manual
73 87 Chevy Truck Wiring Diagram Manual
1985 Chevy Truck Wiring Diagram
Truck wiring diagrams typically include a legend or key that explains the symbols and colors used to represent different electrical components. This key helps users interpret the diagram correctly and follow the electrical pathways from one component to another. It also provides information about the voltage, current, and resistance values of various circuits, enabling technicians to troubleshoot issues effectively.
When using a truck wiring diagram, it is essential to follow safety precautions and best practices to avoid electrical hazards. Always disconnect the battery before working on the electrical system and use insulated tools to prevent shocks. Double-check the connections and wiring harnesses to ensure proper installation and avoid short circuits that could damage the components.
In conclusion, a truck wiring diagram is a valuable resource for anyone working on the electrical system of a commercial vehicle. It provides detailed information about the wiring connections, circuits, and components, helping technicians diagnose and repair electrical issues efficiently. By following the guidelines and safety precautions outlined in the diagram, users can ensure the proper functioning of the truck’s electrical system and avoid costly repairs in the future.

