Skip to content

Volkswagen Wiring Diagrams

  • by

Volkswagen Wiring Diagrams – Understand Your Electrical System Better with a Detailed Wiring Diagram

Volkswagen Electrical Wiring DiagramsVolkswagen Wiring Diagrams

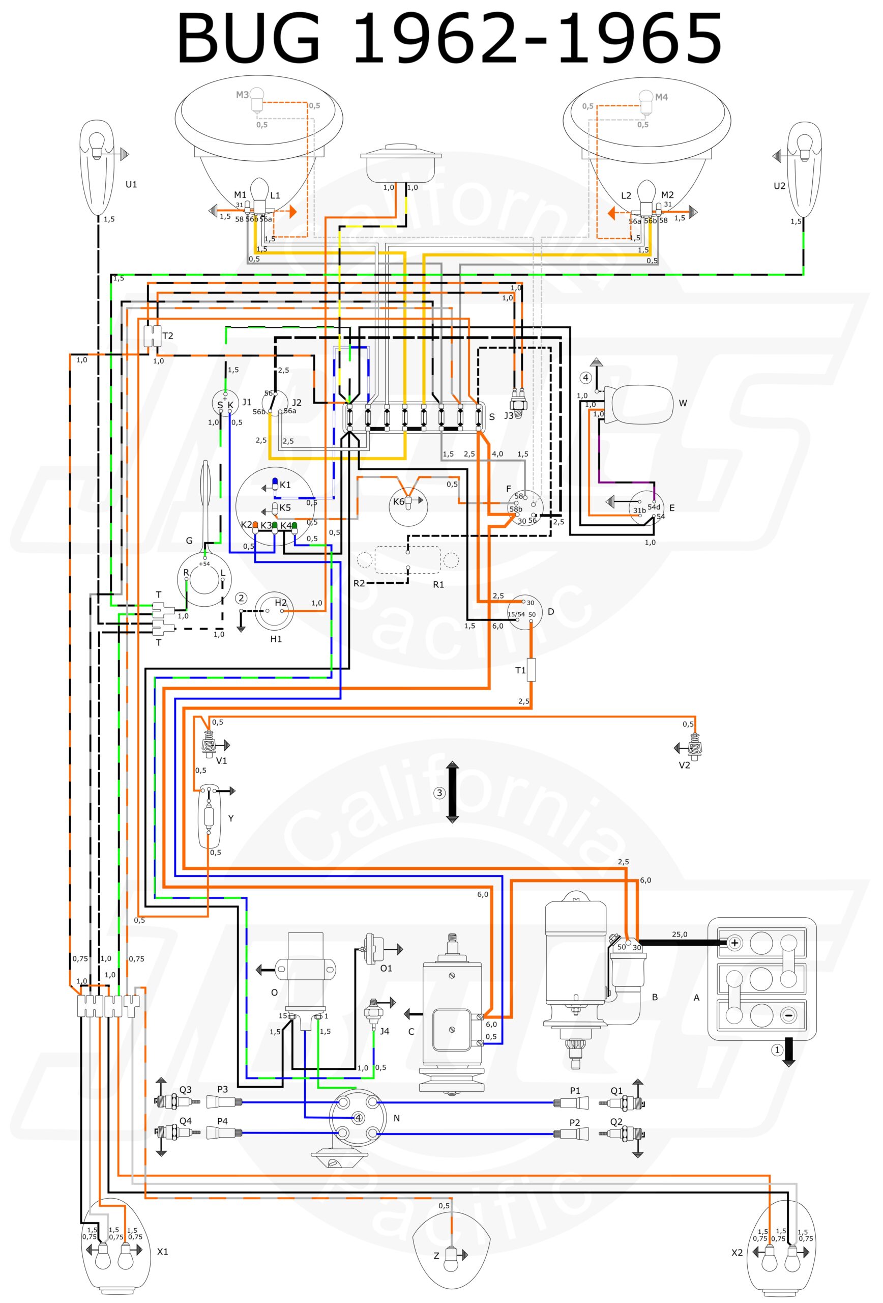
When it comes to working on your Volkswagen vehicle, having access to accurate wiring diagrams is essential. These diagrams provide a detailed overview of the electrical system in your car, showing the various components and how they are connected. This information is crucial for troubleshooting issues, performing repairs, or installing new equipment.

Whether you are a DIY enthusiast or a professional mechanic, having access to Volkswagen wiring diagrams can make your job much easier. These diagrams are typically organized by system, such as lighting, engine, or audio, making it easy to pinpoint the specific area you need to work on.

Whether you’re working on a house renovation or repairing your vehicle, having a well-drawn and reliable wiringdiagram is important. It helps you see how circuit elements are wired and ensures a risk-free, efficient setup.

Whether you’re a startup founder, administrator, or independent contractor, using aVolkswagen Wiring Diagrams helps ensure proper documentation. Simply access the template, print it, and fill it out by hand or edit it digitally before printing.

A wiring diagram visually represents current paths, showing the paths for current flow and how different modules like switches, plugs, fuses, and terminals are linked. This makes it easier to troubleshoot issues, make upgrades, or install new systems without guesswork.

Volkswagen Wiring Diagrams

Many websites offer free or customizable wiring diagram templates for cars, home appliances, LED setups, and more. These diagrams are particularly helpful for DIY enthusiasts, electricians, and engineers who need clear references.

By using a proper Volkswagen Wiring Diagrams, you minimize mistakes, increase efficiency, and ensure all circuit modifications is in compliance. Don’t start your next repair blindly—search for a professional electrical Schematic and build safely today!

Save and Print Volkswagen Wiring Diagrams

How To Read VW Wiring Diagrams SelfStudy ProgramHow To Read VW Wiring Diagrams SelfStudy Program

 DIAGRAM Volkswagen Wiring Diagrams 74 Year MYDIAGRAM ONLINEDIAGRAM Volkswagen Wiring Diagrams 74 Year MYDIAGRAM ONLINE

 DIAGRAM Volkswagen Wiring Diagrams 74 Year MYDIAGRAM ONLINEDIAGRAM Volkswagen Wiring Diagrams 74 Year MYDIAGRAM ONLINE

 DIAGRAM 1974 Volkswagen Wiring Diagrams MYDIAGRAM ONLINEDIAGRAM 1974 Volkswagen Wiring Diagrams MYDIAGRAM ONLINE

 DIAGRAM 1974 Volkswagen Wiring Diagrams MYDIAGRAM ONLINEDIAGRAM 1974 Volkswagen Wiring Diagrams MYDIAGRAM ONLINE

Volkswagen Wiring Diagrams

One of the key benefits of using Volkswagen wiring diagrams is that they provide a visual representation of the electrical system in your vehicle. This can help you understand how different components are connected and how they interact with each other. By following the diagrams, you can trace wires, locate connectors, and identify potential issues.

Another advantage of Volkswagen wiring diagrams is that they often include detailed information about wire colors, connector pinouts, and component locations. This level of detail can be invaluable when working on complex electrical systems, as it can help you avoid mistakes and ensure that everything is connected correctly.

Additionally, Volkswagen wiring diagrams can be useful for diagnosing electrical problems in your vehicle. By following the diagrams and performing simple tests, you can often pinpoint the root cause of an issue and make the necessary repairs. This can save you time and money by avoiding unnecessary guesswork and trial-and-error troubleshooting.

In conclusion, Volkswagen wiring diagrams are a valuable resource for anyone working on their vehicle’s electrical system. Whether you are performing routine maintenance, upgrading components, or troubleshooting issues, having access to accurate diagrams can make the job much easier. By following the diagrams carefully and using them as a guide, you can ensure that your electrical work is done correctly and safely.