Vw Wiring Diagram – Understand Your Circuit Design Better with a Accurate Vw Wiring Diagram
Volkswagen, commonly known as VW, is a popular car brand known for its quality and performance. When it comes to understanding the electrical systems of VW vehicles, having a wiring diagram can be extremely helpful. A wiring diagram is a visual representation of the electrical system in a car, showing how the various components are connected and how they interact with each other.
Having a VW wiring diagram can make troubleshooting electrical issues much easier. Whether you are a seasoned mechanic or a DIY enthusiast, having a detailed wiring diagram can help you pinpoint the source of a problem and make the necessary repairs.
Whether you’re involved in a house renovation or repairing your car, having a well-drawn and reliable wiringdiagram is important. It helps you understand how wires and parts are linked and ensures a risk-free, organized setup.
Whether you’re a startup founder, HR professional, or sole proprietor, using apayroll printable helps ensure accurate record-keeping. Simply download the template, produce a hard copy, and complete it by hand or type directly into the file before printing.
A electrical schematic visually represents wiring systems, showing the flow of electricity and how different components like controls, plugs, protective devices, and terminals work together. This makes it easier to identify problems, improve installations, or add components without trial and error.
Vw Wiring Diagram
Many resources offer free or customizable wiringdiagram templates for automobiles, home appliances, LED setups, and more. These diagrams are particularly helpful for hobbyists, electricians, and builders who need reliable references.
By using a proper electrical Schematic, you reduce the risk of errors, increase efficiency, and ensure all projects is in compliance. Don’t start your next project blindly—search for a trusted wiringdiagram and design with clarity today!
Easily Download and Print Vw Wiring Diagram
1968 Vw Bug Wiring Diagram Wiring Diagram
Vw Polo Ignition Wiring Diagram Wiring Diagram
Vw Tech Article 1971 Wiring Diagram Vw Wiring Diagram Wiring Diagram
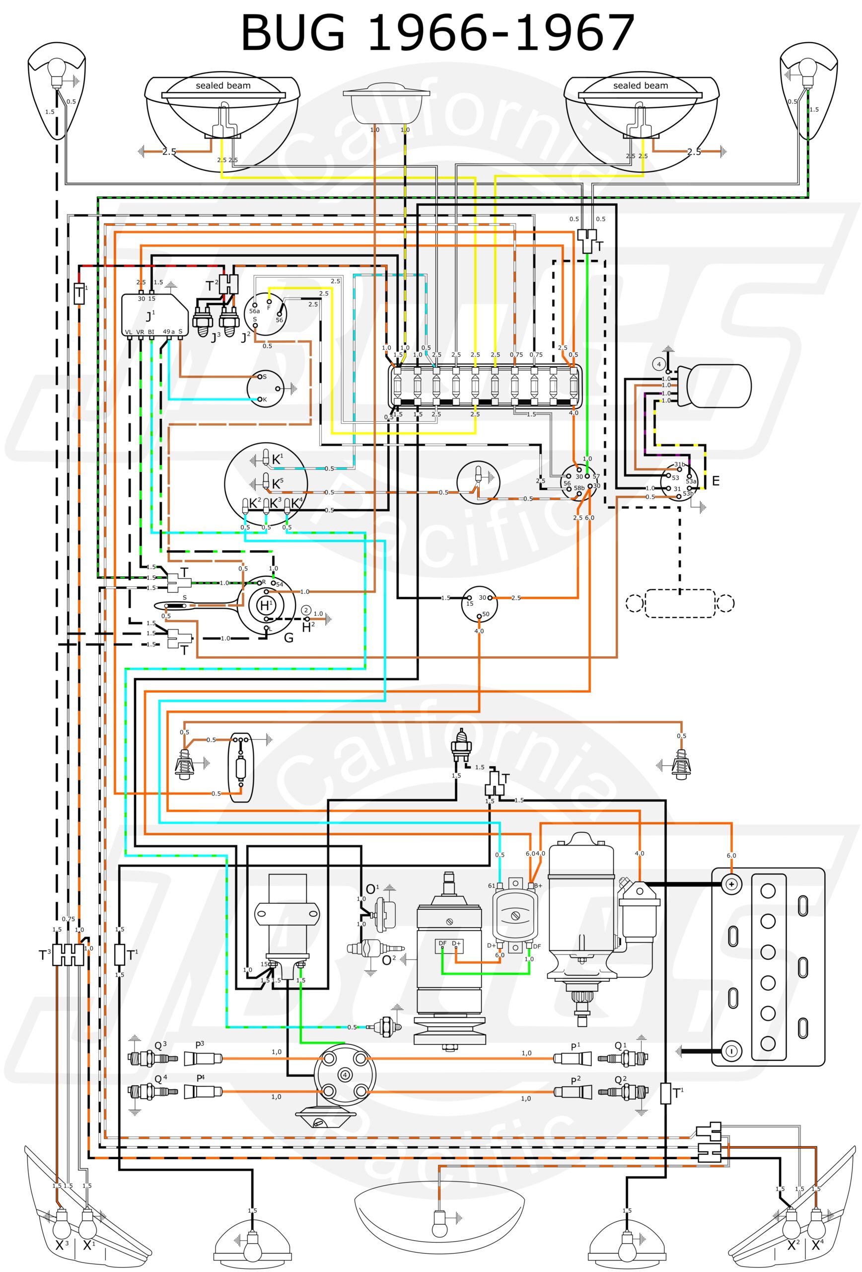
When looking at a VW wiring diagram, you will see a series of lines that represent the wires connecting the various components of the electrical system. The diagram will also include symbols that represent the different components, such as the battery, alternator, lights, and sensors. By following the lines and symbols on the diagram, you can trace the flow of electricity through the system and identify any faulty connections or components.
It is important to note that not all VW wiring diagrams are created equal. Some diagrams may be more detailed and specific to a particular model or year of VW vehicle. It is essential to ensure that you are using the correct wiring diagram for your specific vehicle to avoid any confusion or errors.
In conclusion, having a VW wiring diagram can be a valuable tool for anyone working on the electrical system of a VW vehicle. Whether you are trying to diagnose a problem or simply understand how the electrical components are connected, a wiring diagram can provide you with the guidance you need. With the right diagram in hand, you can confidently tackle any electrical issue that may arise in your VW car.


