Wiring Diagram For Jeep – Master Your Wiring Setup Better with a Accurate Wiring Diagram
When it comes to working on your Jeep’s electrical system, having a wiring diagram is essential. A wiring diagram is a detailed layout of the electrical connections and components in your vehicle, providing a roadmap for troubleshooting and repairs. Without a wiring diagram, it can be challenging to identify which wires are connected to what, leading to potential issues and confusion.
Whether you are installing new accessories, diagnosing electrical problems, or simply trying to understand the intricacies of your Jeep’s wiring system, having a reliable wiring diagram is crucial. Fortunately, there are various resources available online and in repair manuals that provide detailed wiring diagrams for Jeep vehicles.
Whether you’re involved in a house renovation or repairing your automobile, having a well-drawn and reliable Wiring Diagram For Jeep is important. It helps you visualize how circuit elements are connected and ensures a risk-free, smooth setup.
Whether you’re a startup founder, HR professional, or independent contractor, using apayroll template helps ensure compliance with regulations. Simply get the template, produce a hard copy, and complete it by hand or type directly into the file before printing.
A Wiring Diagram For Jeep visually represents current paths, showing the paths for current flow and how different components like switches, outlets, fuses, and connectors interact. This makes it easier to troubleshoot issues, enhance systems, or set up circuits without confusion.
Wiring Diagram For Jeep
Many resources offer free or tailored electrical schematic templates for vehicles, household electronics, lighting systems, and more. These diagrams are particularly useful for DIY enthusiasts, electricians, and builders who need clear references.
By using a proper electrical Schematic, you reduce the risk of errors, cut down time, and ensure all electrical work is in compliance. Don’t start your next repair blindly—search for a verified electrical Schematic and design with clarity today!
Save and Print Wiring Diagram For Jeep
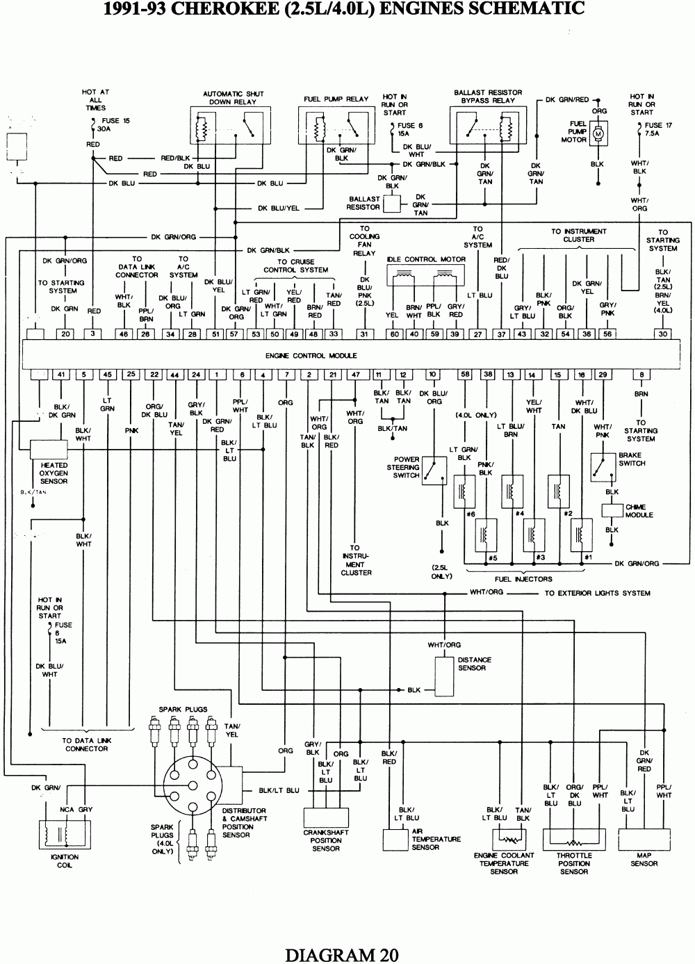
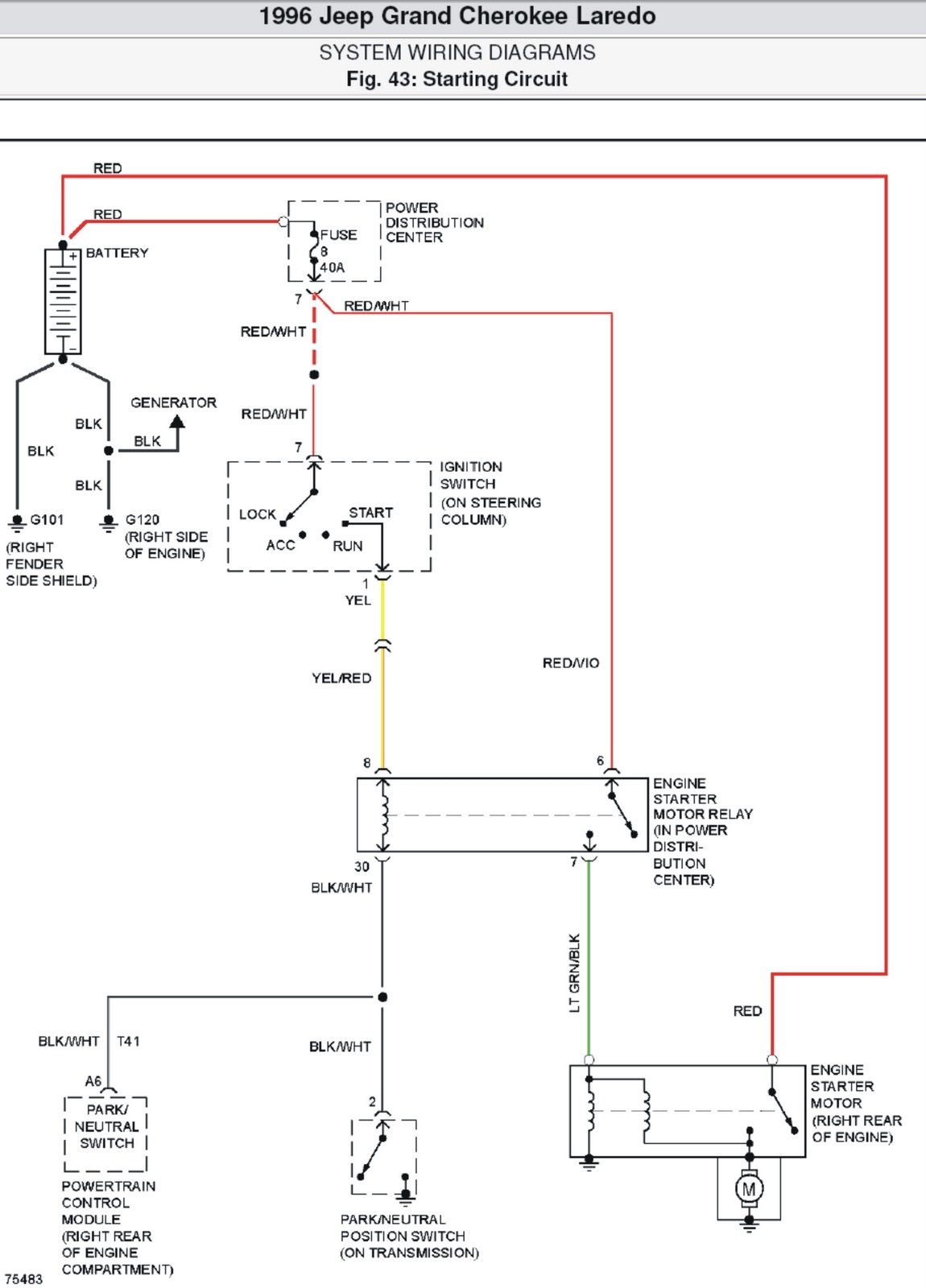
Wiring Diagram Jeep Grand Cherokee
1991 Jeep Wrangler Radio Wiring Diagram
Wiring Diagram Jeep Patriot 2008 Wiring Diagram
One of the key benefits of using a wiring diagram for your Jeep is the ability to troubleshoot electrical issues effectively. By following the diagram, you can trace the path of the wiring and identify any potential faults or loose connections. This can save you time and money by avoiding unnecessary repairs or part replacements.
Additionally, a wiring diagram can help you understand the functionality of different components in your Jeep’s electrical system. By studying the diagram, you can gain insights into how the various wires and components work together to power different systems in your vehicle. This knowledge can be valuable when customizing or upgrading your Jeep’s electrical setup.
Overall, having a wiring diagram for your Jeep is a valuable tool that can make working on your vehicle’s electrical system much easier and more efficient. Whether you are a DIY enthusiast or a professional mechanic, a detailed wiring diagram can help you navigate the complexities of your Jeep’s electrical system with confidence.
So, next time you are planning to work on your Jeep’s electrical system, be sure to have a wiring diagram handy. It can be the difference between a smooth repair process and a frustrating ordeal. With the right resources and knowledge at your disposal, you can tackle electrical projects in your Jeep with ease.


