Wiring Diagram Online – Understand Your Wiring Setup Better with a Clear Wiring Diagram
Wiring diagrams are essential tools for anyone working on electrical systems in homes, cars, or other machinery. They provide a visual representation of the electrical connections and components in a system, making it easier to troubleshoot and repair issues. With the advancement of technology, online resources now offer convenient access to wiring diagrams for a wide range of applications.
Online wiring diagram platforms provide a user-friendly interface where users can search for specific diagrams by entering the make, model, and year of their vehicle or equipment. This streamlined process saves time and eliminates the need to sift through physical manuals or contact manufacturers for diagrams.
Whether you’re involved in a home improvement project or repairing your vehicle, having a clear and accurate wiring diagrams is crucial. It helps you understand how electrical components are linked and ensures a safe, efficient setup.
Whether you’re a startup founder, administrator, or independent contractor, using aprintable payroll form helps ensure proper documentation. Simply access the template, print it, and fill it out by hand or edit it digitally before printing.
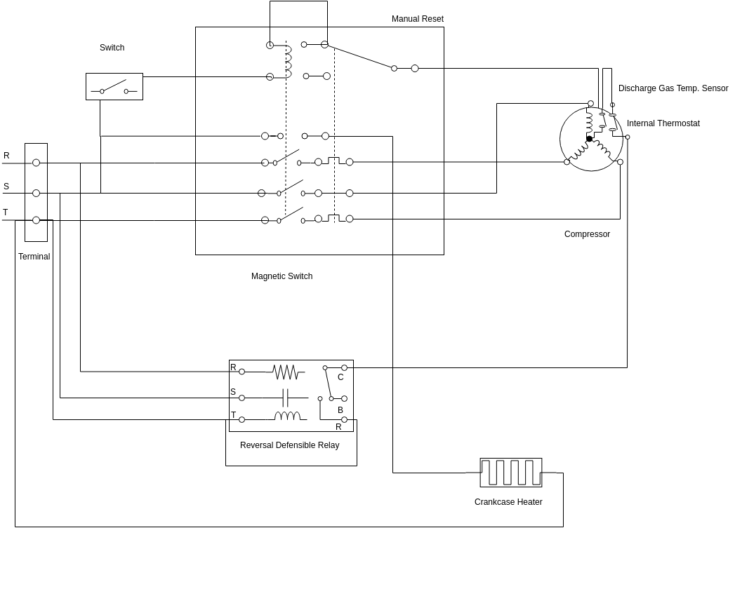
A electrical schematic visually represents current paths, showing the paths for current flow and how different components like switches, outlets, fuses, and terminals work together. This makes it easier to spot errors, enhance systems, or set up circuits without trial and error.
Wiring Diagram Online
Many resources offer complimentary or editable wiring diagrams templates for automobiles, household electronics, lighting systems, and more. These diagrams are particularly useful for hobbyists, technicians, and engineers who need clear references.
By using a proper electrical Schematic, you minimize mistakes, cut down time, and ensure all circuit modifications is in compliance. Don’t start your next project blindly—search for a verified Wiring Diagram Online and design with clarity today!
Save and Print Wiring Diagram Online
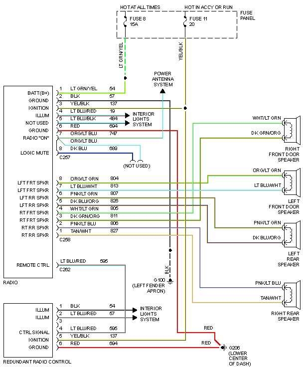
Audio Wiring Nissan Wiring Harness Color Codes
Wiring Diagram For Fireman Switch A Practical Guide
DIAGRAM Ford F250 Wiring Diagram Online MYDIAGRAM ONLINE
Once the desired wiring diagram is located, users can zoom in on specific sections, highlight components, and even print or download the diagram for future reference. This level of accessibility and customization makes online wiring diagrams a valuable resource for DIY enthusiasts, mechanics, and electricians alike.
Furthermore, online wiring diagrams often include additional information such as color codes, connector pinouts, and troubleshooting tips. These details can help users quickly identify and resolve issues with their electrical systems, reducing downtime and costly repairs.
In addition to individual diagrams, some online platforms offer subscription services that provide access to a vast library of wiring diagrams for various makes and models. This comprehensive database is continuously updated to ensure users have the most current information available.
Overall, the convenience and functionality of wiring diagram online resources make them an invaluable tool for anyone working with electrical systems. Whether you’re repairing a light fixture in your home or diagnosing a complex wiring issue in your car, having instant access to accurate diagrams can save time, frustration, and money.
In conclusion, wiring diagram online platforms offer a user-friendly and comprehensive solution for accessing essential electrical diagrams. With easy search capabilities, interactive features, and additional information, these resources empower users to tackle electrical projects with confidence and efficiency.


