Wiring Diagram Simulator – Understand Your Circuit Design Better with a Clear Wiring Diagram Simulator
In the field of electrical engineering, wiring diagrams play a crucial role in understanding and designing electrical systems. A wiring diagram is a visual representation of the components and connections within a circuit. It helps engineers and technicians to troubleshoot problems, plan new installations, and communicate complex electrical systems effectively.
A wiring diagram simulator is a software tool that allows users to create virtual wiring diagrams for various electrical systems. It provides a platform for designing, testing, and simulating circuits without the need for physical components. This can be a valuable resource for students, professionals, and hobbyists to learn and practice electrical wiring techniques in a safe and controlled environment.
Whether you’re involved in a house renovation or fixing your car, having a easy-to-read Wiring Diagram Simulator is crucial. It helps you visualize how electrical components are connected and ensures a secure, efficient setup.
Whether you’re a small business owner, payroll manager, or independent contractor, using aWiring Diagram Simulator helps ensure compliance with regulations. Simply access the template, produce a hard copy, and complete it by hand or type directly into the file before printing.
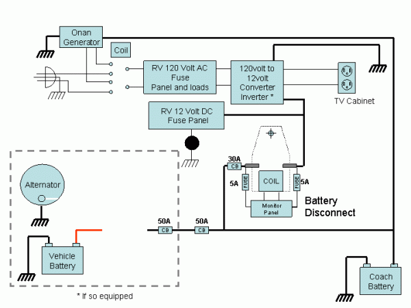
A wiring diagrams visually represents current paths, showing the direction of power and how different parts like switches, plugs, protective devices, and connectors interact. This makes it easier to identify problems, improve installations, or add components without trial and error.
Wiring Diagram Simulator
Many online platforms offer no-cost or customizable wiring diagram templates for automobiles, household electronics, lighting systems, and more. These diagrams are particularly valuable for hobbyists, technicians, and builders who need reliable references.
By using a proper electrical Schematic, you avoid faults, cut down time, and ensure all projects is up to code. Don’t start your next repair blindly—search for a verified wiring diagrams and work with confidence today!
Save and Print Wiring Diagram Simulator
Electrical Wiring Circuit Simulator
Electrical Wiring Circuit Simulator
Benefits of Using a Wiring Diagram Simulator
1. Visualization: A wiring diagram simulator offers a visual representation of electrical circuits, making it easier to understand complex connections and components. Users can easily identify errors, troubleshoot issues, and optimize circuit designs.
2. Simulation: With a wiring diagram simulator, users can simulate the behavior of electrical circuits in real-time. This allows for testing different scenarios, analyzing performance, and predicting outcomes without the risk of damaging physical components.
3. Training and Education: Wiring diagram simulators are valuable tools for students and educators to learn and teach electrical concepts effectively. They provide a hands-on experience in circuit design and troubleshooting, enhancing learning outcomes and practical skills.
4. Cost-Effective: Using a wiring diagram simulator eliminates the need for purchasing physical components and equipment for circuit testing. It reduces material costs, minimizes waste, and allows for rapid prototyping and iteration in the design process.
5. Collaboration: Wiring diagram simulators enable users to share and collaborate on circuit designs remotely. Multiple users can work on the same project, make revisions in real-time, and exchange feedback, facilitating teamwork and project coordination.
In conclusion, a wiring diagram simulator is a valuable tool for designing, testing, and simulating electrical circuits in a virtual environment. It offers numerous benefits, including visualization, simulation, training, cost-effectiveness, and collaboration. Whether you are a student, professional, or hobbyist in the field of electrical engineering, using a wiring diagram simulator can enhance your skills, improve efficiency, and optimize circuit designs.



